LEMON Manuals: Even more car manuals for everyone
Home >> Acura >> 2021 >> TLX Base >> Repair and Diagnosis >> Engine Performance >> System >> Engine Control System - Advanced Diagnostics (2 Of 3) >> Advanced Diagnostics >> DTC Advanced Diagnostics: P062B (2.0L Engine)

DTC Advanced Diagnostics: P062B (2.0L Engine)

DTC P062B:  Powertrain Control Module (PCM) Internal Circuit Malfunction

General Description 

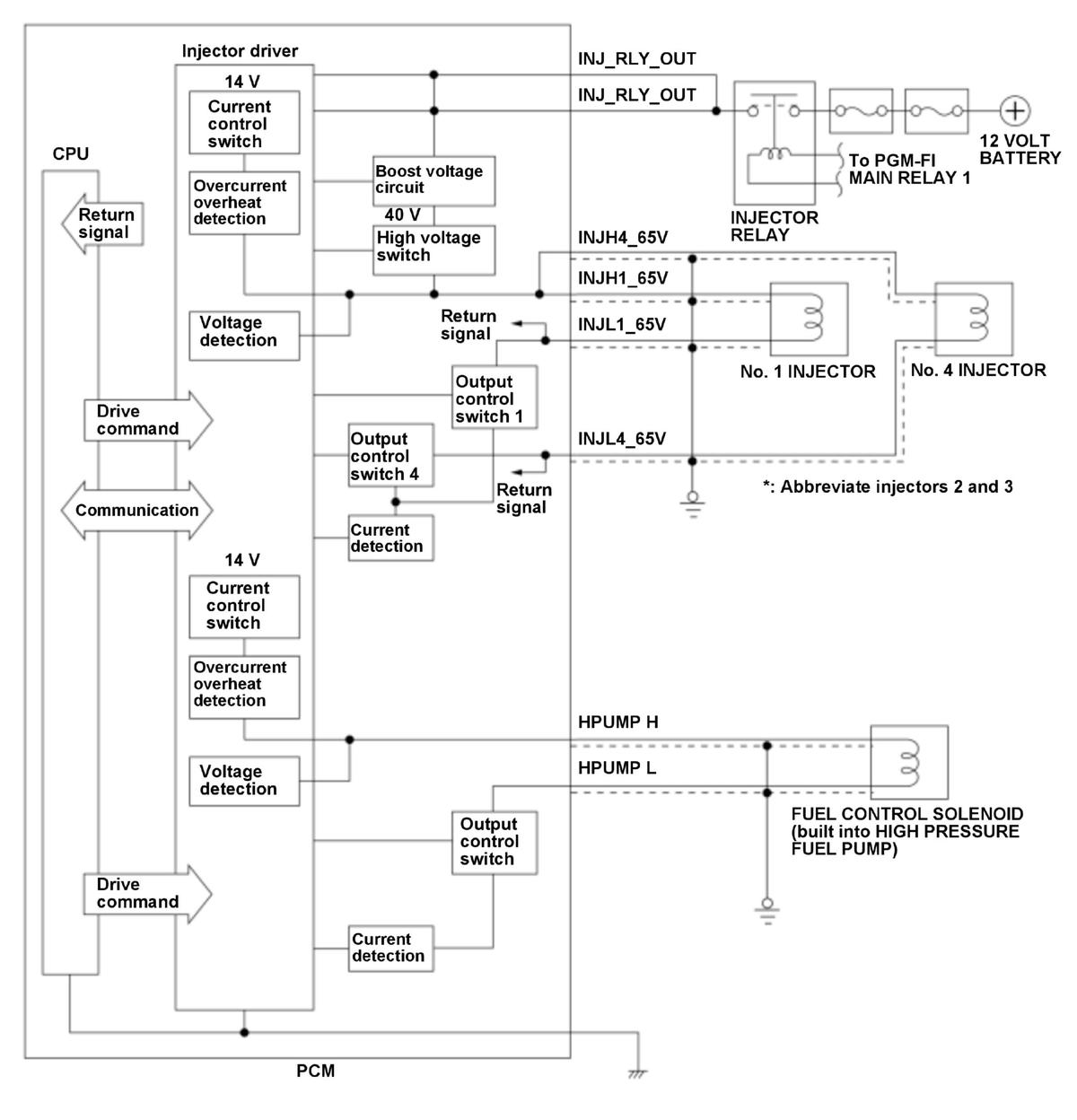
GHH479815Courtesy of HONDA, U.S.A., INC.

The injector supplies fuel to the engine and its fuel pressure is adjusted by high pressure fuel pump output duty cycle, and controlled by the powertrain control module (PCM) ON/OFF command. In the PCM, the injector driver receives commands from the CPU and drives injectors and solenoids. Also, the CPU sets current to drive injectors and solenoids, and transmits the current to the injector driver. If an abnormal communication occurs in the PCM, the PCM detects a malfunction and stores a DTC.

Monitor Execution, Sequence, Duration, DTC Type 

Execution Continuous
Sequence None
Duration -
DTC Type One drive cycle, MIL on

Enable Conditions 

Condition Minimum Maximum
12 volt battery voltage [Battery] 7 V -
State of the engine Running

[ ]: HDS Parameter

Malfunction Threshold 

The CPU cannot communicate with injector driver at least 100 times (counts once per 30 deg. camshaft angle).

Possible Cause 

NOTE: The causes shown may not be a complete list of all potential problems, and it is possible that there may be other causes.

Diagnosis Details 

Conditions for setting the DTC 

When a malfunction is detected, the MIL comes on and a Pending DTC, a Confirmed DTC, the freeze data, and the on-board snapshot are stored in the PCM memory.

Conditions for clearing the DTC 

The MIL is cleared if the malfunction does not return in three consecutive trips in which the diagnostic runs. The MIL, the Pending DTC, the Confirmed DTC, the freeze data, and the on-board snapshot can be cleared with the scan tool clear command.