DTC Advanced Diagnostics: P0563 (3.0L Engine)
DTC P0563: Powertrain Control Module (PCM) Power Source Circuit Unexpected Voltage
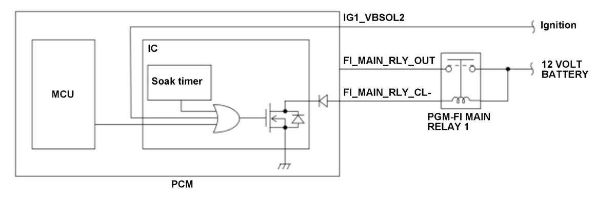
General Description
To supply power (FI_MAIN_RLY_OUT) for the powertrain control module (PCM), the FI_MAIN_RLY_CL- drive request that is generated from the logical sum of the external signal (IG1_VBSOL_2) and the internal signal (FI_MAIN_RLY_CL- drive request and soak timer) drives the FI_MAIN_RLY_CL- terminal, and turns PGM-FI main relay 1 on. After the ignition is turned to the OFF (LOCK) mode, the PCM monitors the duration of the state in which the power is not turned off even if the microcomputer (MCU) in the PCM turns off the FI_MAIN_RLY_CL- drive. If the condition continues for a specified duration, the PCM detects a malfunction and stores a DTC.
Monitor Execution, Sequence, Duration, DTC Type
| Execution | Continuous |
| Sequence | None |
| Duration | 10 seconds or more |
| DTC Type | Two drive cycles, MIL on* 1, off* 2 |
*1: USA and Canada models*2: Mexico models
Enable Conditions
| Condition | |
|---|---|
| Vehicle | ON mode |
Malfunction Threshold
The power supply does not turn off for at least 10 seconds even if the PCM requests to turn off the power after the vehicle is turned to the OFF (LOCK) mode.
Possible Cause
- PGM-FI main relay 1 FI_MAIN_RLY_CL- line short to ground
- PGM-FI main relay 1 FI_MAIN_RLY_OUT line short to power
- PGM-FI main relay 1 stuck on failure
- PCM internal circuit failure
Confirmation Procedure
Operating Condition
- Turn the vehicle to the ON mode.
- Turn the vehicle to the OFF (LOCK) mode, and leave the vehicle for at least 2 minutes. Make sure the engine coolant temperature [ECT Sensor 1] lowers to 140 deg.F (60 deg.C) or less.
- Turn the vehicle to the ON mode.
[ ]: HDS Parameter
Diagnosis Details* 1
Conditions for setting the DTC
When a malfunction is detected during the first drive cycle, a Pending DTC is stored in the PCM memory. If the malfunction returns in the next (second) drive cycle, the MIL comes on and a Confirmed DTC, the freeze data, and the on-board snapshot are stored.
Conditions for clearing the DTC
The MIL is cleared if the malfunction does not return in three consecutive trips in which the diagnostic runs. The MIL, the Pending DTC, the Confirmed DTC, the freeze data, and the on-board snapshot can be cleared with the scan tool clear command.
Diagnosis Details* 2
Conditions for setting the DTC
When a malfunction is detected during the first drive cycle, a Pending DTC is stored in the PCM memory. If the malfunction returns in the next (second) drive cycle, a Confirmed DTC, the freeze data, and the on-board snapshot are stored. The MIL does not come on.
Conditions for clearing the DTC
The Pending DTC, the Confirmed DTC, the freeze data, and the on-board snapshot can be cleared with the scan tool clear command.