DTC Advanced Diagnostics: P043E (3.0L Engine)
DTC P043E: Evaporative Emission (EVAP) Leak Check Module Standard Pressure Low
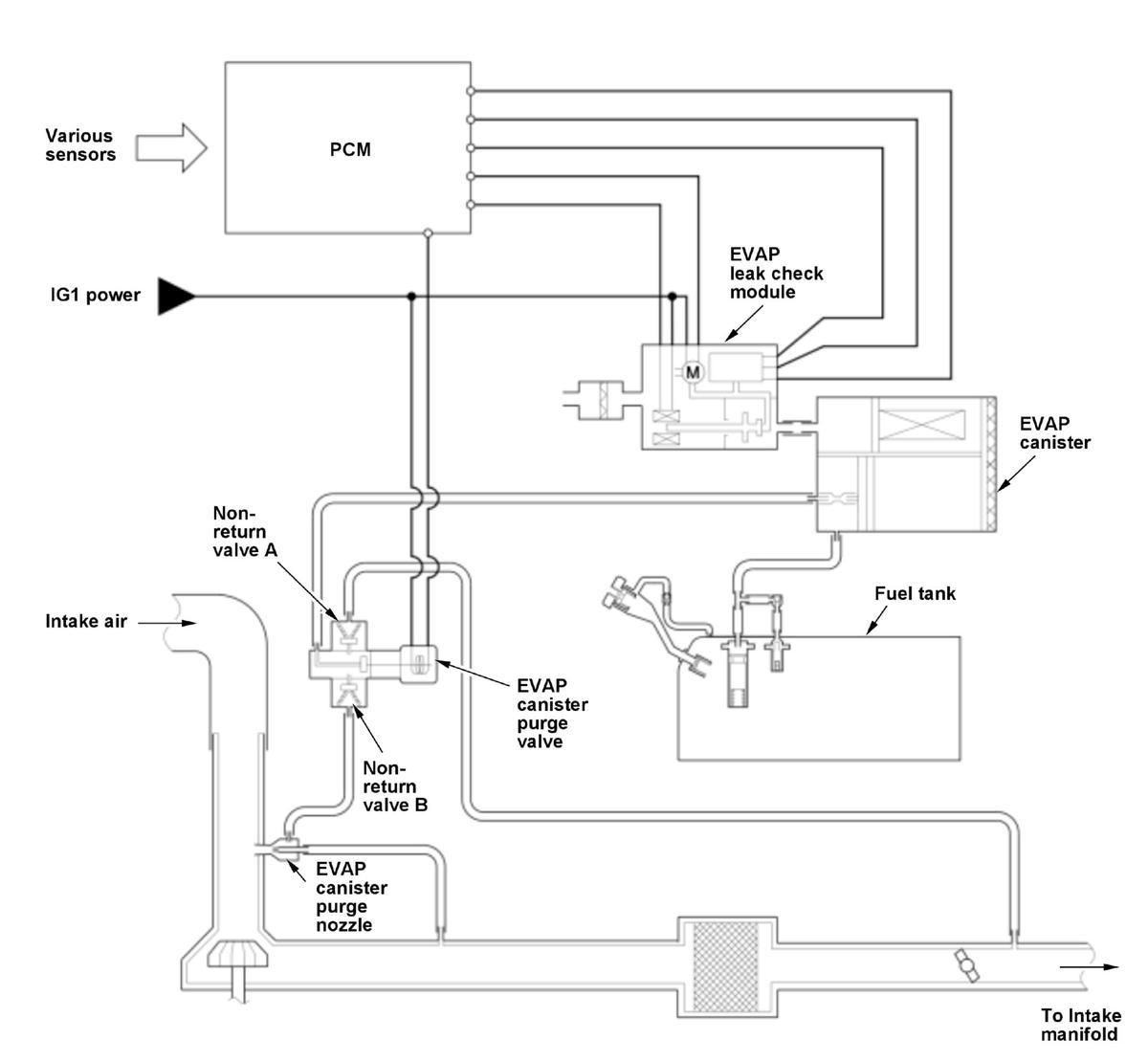
General Description
| DTC | No. |
|---|---|
| P0456: Evaporative Emission (EVAP) System Very Small Leak Detected | 8 |
| P2DDA: Evaporative Emission (EVAP) Leak Check Pump | 2 |
| 3 | |
| 5 | |
| P2DD9: Evaporative Emission (EVAP) Leak Check Module Standard Pressure Stability Error | 2 |
| 5 | |
| P043E: Evaporative Emission (EVAP) Leak Check Module Standard Pressure Low | 2 |
| 5 | |
| 7 | |
| P043F: Evaporative Emission (EVAP) Leak Check Module Standard Pressure High | 2 |
| 5 | |
| P2450: Evaporative Emission (EVAP) System Purge Line Non-return Valve Stuck Open | 4 |
| P00FE: Evaporative Emission (EVAP) Vent Line Blockage | 3 |
The evaporative emission (EVAP) diagnostic starts if the certain driving conditions are met after a certain duration of vehicle soak. The malfunction can be detected by the EVAP diagnostic.
- EVAP system very small leak detected (P0456)
After the reference pressure is obtained, the canister change over valve is closed with EVAP leak check module vacuum pump remained on to decompress the entire EVAP system, and the PCM measures the pressure of the condition. If the EVAP system cannot be decompressed below the reference pressure, the powertrain control module (PCM) detects a malfunction and stores a DTC.
- EVAP leak check pump (P2DDA)
The PCM monitors the pressure fluctuation when the EVAP leak check module vacuum pump or the canister change over valve is switched. If the pressure fluctuation when the EVAP leak check module vacuum pump or the canister change over valve is switched is large, the PCM detects a malfunction and stores a DTC.
- EVAP leak check module standard pressure stability error (P2DD9)
If the pressure fluctuation during the reference pressure measurement is large, the PCM detects a malfunction and stores a DTC.
- EVAP leak check module standard pressure low (P043E)
The reference pressure can be obtained by measuring the pressure when the canister change over valve is opened and the EVAP leak check module vacuum pump is ON during the EVAP diagnostic. If the obtained reference pressure is low, or if the difference between the reference pressures obtained twice is large, the PCM detects a malfunction and stores a DTC.
- EVAP leak check module standard pressure high (P043F)
The reference pressure can be obtained by measuring the pressure when the canister change over valve is opened and the EVAP leak check module vacuum pump is ON during the EVAP diagnostic. If the obtained reference pressure is high, the PCM detects a malfunction and stores a DTC.
- EVAP system purge line non-return valve stuck open (P2450)
The non-return valve B during the EVAP decompression is normally closed since the intake side is barometric pressure and the canister side is vacuum pressure. However, if the non-return valve B is remain stuck opened, the barometric pressure flows inside the EVAP system and the pressure fluctuates when the EVAP canister purge valve is opened during the EVAP system decompression. If the EVAP system pressure (vacuum pressure) is a specified value, the PCM detects a malfunction and stores a DTC.
- EVAP vent line blockage (P00FE)
The PCM detects the vent line block between the fuel tank and EVAP canister. If the duration of the pressure to reach the reference pressure from the closed position of the canister change over valve is short during the EVAP diagnostic, the PCM detects a malfunction and stores a DTC.
Monitor Execution, Sequence, Duration, DTC Type
| Execution | Once per driving cycle |
| Sequence | None |
| Duration | 33 minutes 20 seconds |
| DTC Type | Two drive cycles, MIL on |
Enable Conditions
| Condition | Minimum | Maximum |
|---|---|---|
| Soak duration* | 5 hours | - |
| Engine coolant temperature [ECT Sensor 1] | 40.0 deg.F (4.4 deg.C) | 113 deg.F (45 deg.C) |
| Intake air temperature [IAT Sensor (1)] | 40.0 deg.F (4.4 deg.C) | 122 deg.F (50 deg.C) |
| BARO pressure [Baro Sensor] | 73.4 kPa (551 mmHg, 21.68 inHg) | - |
| 12 volt battery voltage [Battery] | 11 V | - |
| Fuel level | - | 85 % |
| Vehicle | OFF (LOCK) mode | |
*: Condition to start the EVAP diagnostic[ ]: HDS Parameter
Malfunction Threshold
Either of the condition is met:
- The reference pressure is more than -1.31 kPa (-9.8 mmHg, -0.386 inHg).
- The difference between the reference pressures obtained twice is more than 0.88 kPa (6.6 mmHg, 0.25 inHg)
Possible Cause
- Canister change over valve failure
- EVAP leak check module vacuum pump failure
- EVAP leak check module pressure sensor failure
Confirmation Procedure
Operating Condition
- Start the engine.
- Drive the vehicle at vehicle speed [Vehicle Speed] 38 mph (60 km/h) - 60 mph (100km/h) for 10 minutes or more.
- Turn the vehicle to the OFF (LOCK) mode and leave the vehicle for at least 5 hours 30 minutes.
- Start the engine.
- After disconnecting the 12 volt battery, repeat Driving Pattern steps 1 - 3 twice.
- Test the vehicle in the condition of outside temperature of 32 deg.F (0 deg.C) or more.
- Drive the vehicle in this manner only if the traffic regulations and ambient conditions allow.
Diagnosis Details
Conditions for setting the DTC
When a malfunction is detected during the first drive cycle, a Pending DTC is stored in the PCM memory. If the malfunction returns in the next (second) drive cycle, the MIL comes on and a Confirmed DTC, the freeze data, and the on-board snapshot are stored.
Conditions for clearing the DTC
The MIL is cleared if the malfunction does not return in three consecutive trips in which the diagnostic runs. The MIL, the Pending DTC, the Confirmed DTC, the freeze data, and the on-board snapshot can be cleared with the scan tool clear command.