LEMON Manuals: Even more car manuals for everyone
Home >> Acura >> 2021 >> TLX Base >> Repair and Diagnosis >> Engine Performance >> System >> Engine Control System - Advanced Diagnostics (1 Of 3) >> Advanced Diagnostics >> DTC Advanced Diagnostics: P023D (3.0L Engine)

DTC Advanced Diagnostics: P023D (3.0L Engine)

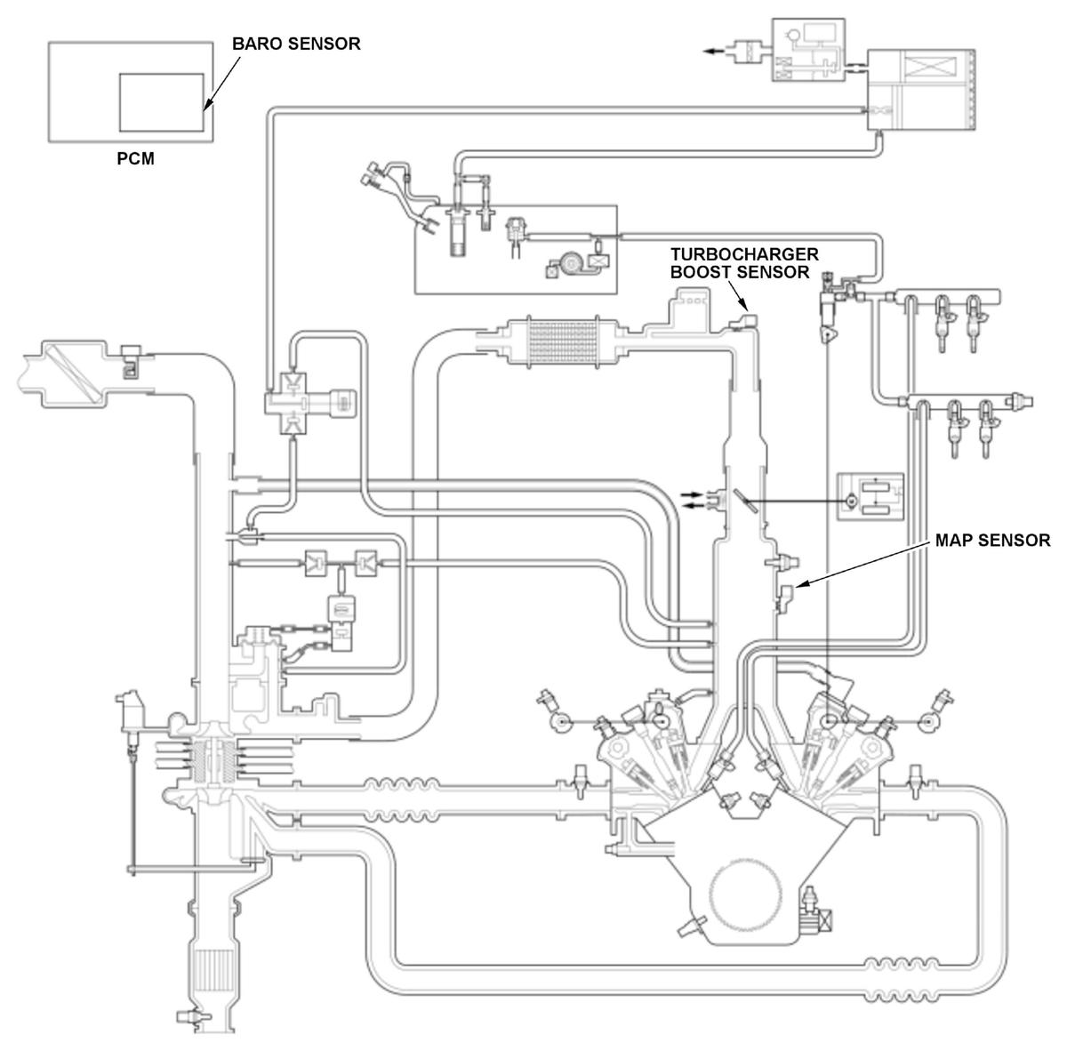
DTC P023D:  Turbocharger Boost Sensor/Manifold Absolute Pressure (MAP) Sensor Incorrect Correlation

General Description 

GHH479651Courtesy of HONDA, U.S.A., INC.
GHH479652Courtesy of HONDA, U.S.A., INC.

The turbocharger system controls the wastegate valve to adjust the flow of boost pressure. The turbocharger boost sensor is compared with the manifold absolute pressure (MAP) sensor during high load of the engine to detect stuck low of the turbocharger boost sensor. If the value of the turbocharger boost sensor is different from the value of the MAP sensor, the powertrain control module (PCM) detects a malfunction and stores a DTC.

Monitor Execution, Sequence, Duration, DTC Type 

Execution Continuous
Sequence None
Duration 3.5 seconds or more
DTC Type Two drive cycles, MIL on

Enable Conditions 

Condition Minimum Maximum
MAP value change per 5 milliseconds 5 kPa (38 mmHg, 1.5 inHg) -
Other MAP sensor value is higher than BARO sensor value

Malfunction Threshold 

MAP sensor value - (minus) turbocharger boost sensor value is less than the value shown in the table, or more than 15 kPa (113 mmHg, 4.5 inHg) for at least 3.5 seconds.

MAP sensor value [MAP Sensor (Hi Res)] Malfunction threshold value
60 kPa (450 mmHg, 17.7 inHg) Less than -75 kPa (-563 mmHg, -22.2 inHg)
80 kPa (600 mmHg, 23.6 inHg) Less than -60 kPa (-450 mmHg, -17.8 inHg)
90 kPa (675 mmHg, 26.6 inHg) Less than -50 kPa (-375 mmHg, -14.8 inHg)
100 kPa (750 mmHg, 29.5 inHg) Less than -50 kPa (-375 mmHg, -14.8 inHg)
300 kPa (2, 250 mmHg, 88.6 inHg) Less than -150 kPa (-1, 125 mmHg, -44.3 inHg)

Possible Cause 

NOTE: The causes shown may not be a complete list of all potential problems, and it is possible that there may be other causes.

Confirmation Procedure 

Operating Condition 

Diagnosis Details 

Conditions for setting the DTC 

When a malfunction is detected during the first drive cycle, a Pending DTC is stored in the PCM memory. If the malfunction returns in the next (second) drive cycle, the MIL comes on and a Confirmed DTC, the freeze data, and the on-board snapshot are stored.

Conditions for clearing the DTC 

The MIL is cleared if the malfunction does not return in three consecutive trips in which the diagnostic runs. The MIL, the Pending DTC, the Confirmed DTC, the freeze data, and the on-board snapshot can be cleared with the scan tool clear command.