LEMON Manuals: Even more car manuals for everyone
Home >> Acura >> 2021 >> TLX Base >> Repair and Diagnosis >> Engine Performance >> System >> Engine Control System - Advanced Diagnostics (1 Of 3) >> Advanced Diagnostics >> DTC Advanced Diagnostics: P0101 (2.0L Engine)

DTC Advanced Diagnostics: P0101 (2.0L Engine)

DTC P0101:  Mass Airflow (MAF) Sensor Circuit Range/Performance Problem (Out of Range)

General Description 

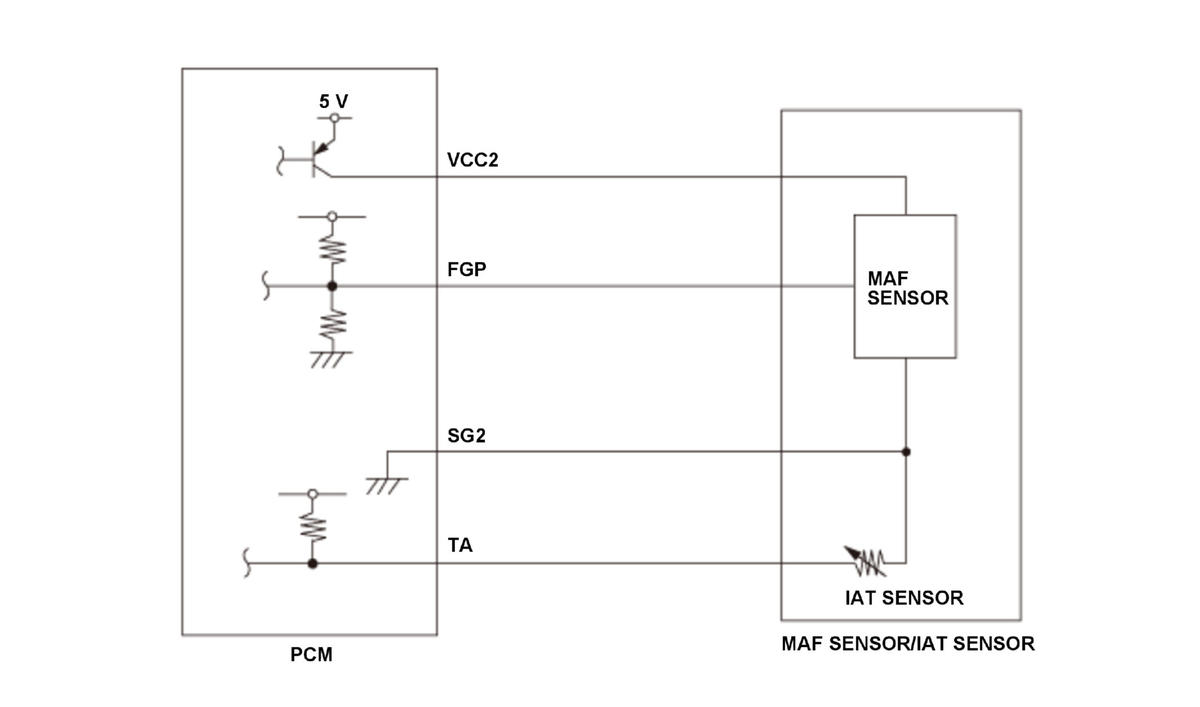
GHH479552Courtesy of HONDA, U.S.A., INC.

The mass airflow (MAF) sensor is attached to the intake air passage, and it measures the amount of intake airflow. The MAF sensor is a chip type airflow meter. The airflow cools the electrically heated chip that is mounted in the air passage. The powertrain control module (PCM) determines the amount of intake airflow by detecting the frequency. If the MAF sensor input frequency is out of range, the PCM detects a malfunction and stores a DTC.

Monitor Execution, Sequence, Duration, DTC Type 

Execution Continuous
Sequence None
Duration 3.0 seconds or more
DTC Type Two drive cycles, MIL on

Enable Conditions 

Condition  
Vehicle ON mode

Malfunction Threshold 

The MAF sensor input frequency [MAF Sensor] is out of range from 520 to 10, 000 Hz for at least 3.0 seconds.

[ ]: HDS Parameter

Possible Cause 

NOTE: The causes shown may not be a complete list of all potential problems, and it is possible that there may be other causes.

Diagnosis Details 

Conditions for setting the DTC 

When a malfunction is detected during the first drive cycle, a Pending DTC is stored in the PCM memory. If the malfunction returns in the next (second) drive cycle, the MIL comes on and a Confirmed DTC, the freeze data, and the on-board snapshot are stored.

Conditions for clearing the DTC 

The MIL is cleared if the malfunction does not return in three consecutive trips in which the diagnostic runs. The MIL, the Pending DTC, the Confirmed DTC, the freeze data, and the on-board snapshot can be cleared with the scan tool clear command.