LEMON Manuals: Even more car manuals for everyone
Home >> Acura >> 2021 >> TLX Base >> Repair and Diagnosis >> Accessories & Equipment >> Anti-Theft Systems >> Security System / Keyless Entry System - Testing & Troubleshooting >> Circuit Diagram >> Keyless/Power Door Locks/Security System Circuit Diagram

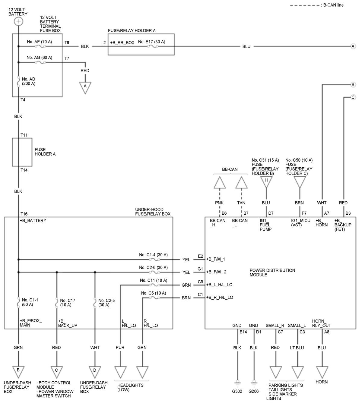
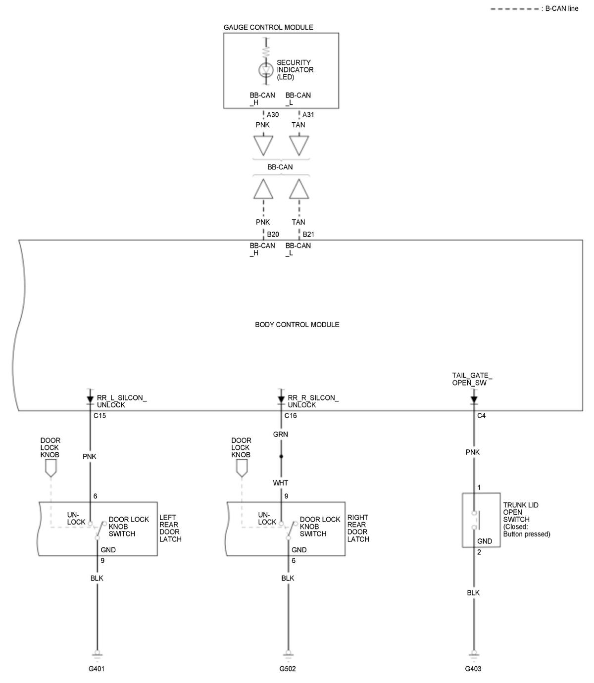
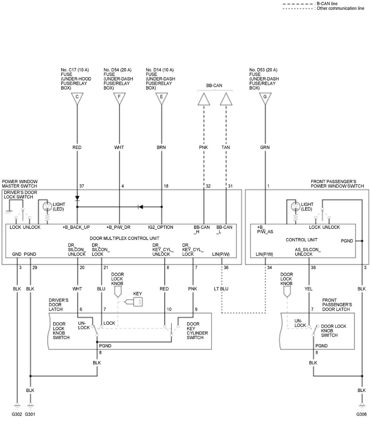
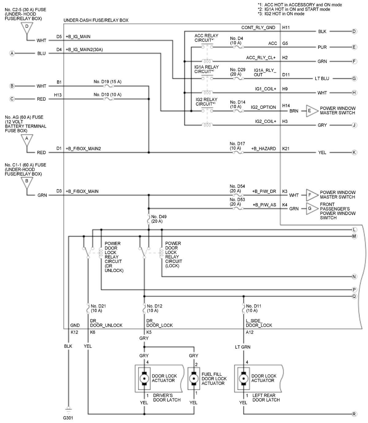
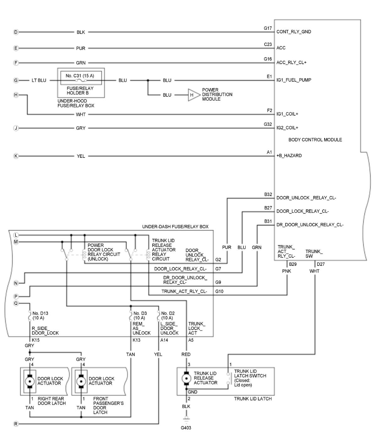
Keyless/Power Door Locks/Security System Circuit Diagram

NOTE: For details of the CAN circuit, refer to the Network Communications Circuit Diagram.
GHH487308Courtesy of HONDA, U.S.A., INC.
GHH487309Courtesy of HONDA, U.S.A., INC.
GHH487310Courtesy of HONDA, U.S.A., INC.
GHH487311Courtesy of HONDA, U.S.A., INC.
GHH487312Courtesy of HONDA, U.S.A., INC.
GHH487313Courtesy of HONDA, U.S.A., INC.