LEMON Manuals: Even more car manuals for everyone
Home >> Acura >> 2019 >> RDX Technology, AWD >> Repair and Diagnosis >> Accessories & Equipment >> Anti-Theft Systems >> Security System / Keyless Entry System - Testing & Troubleshooting >> Circuit Diagram >> Keyless/Power Door Locks/Security System Circuit Diagram

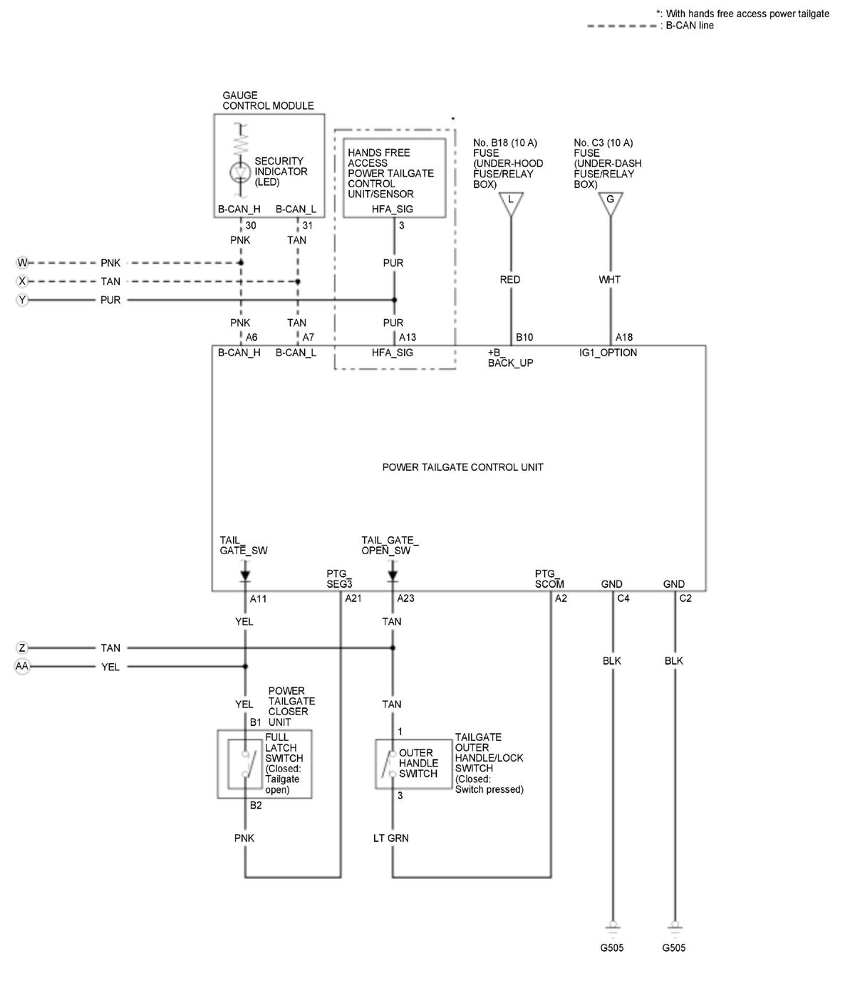
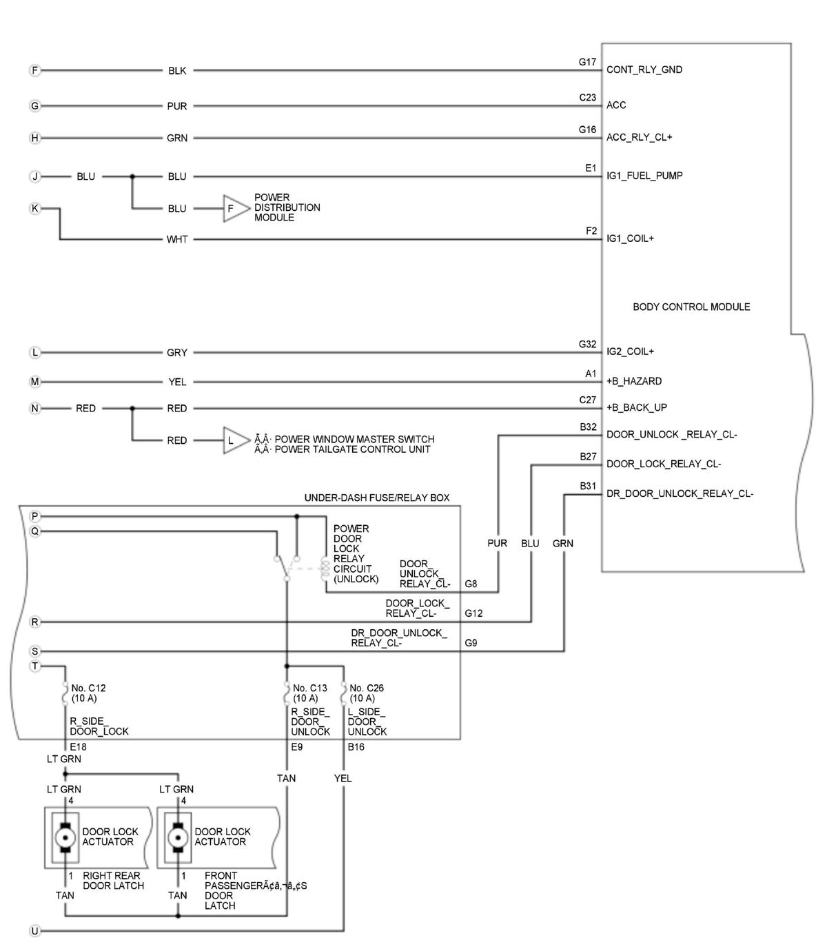
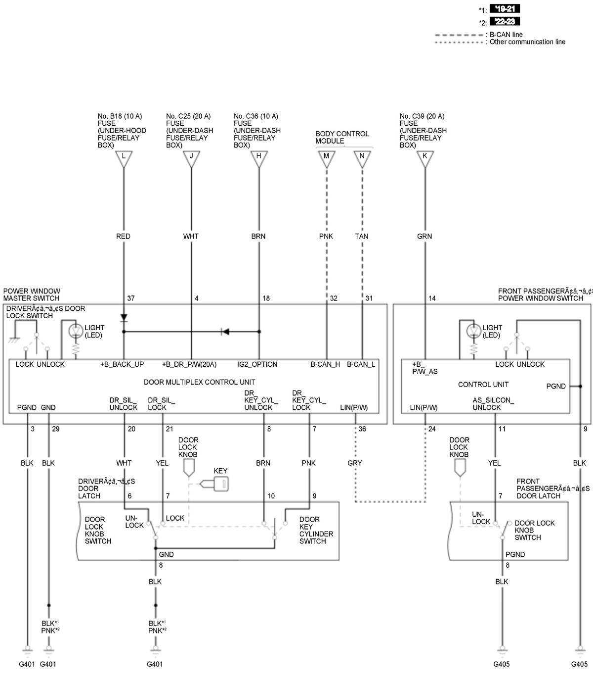
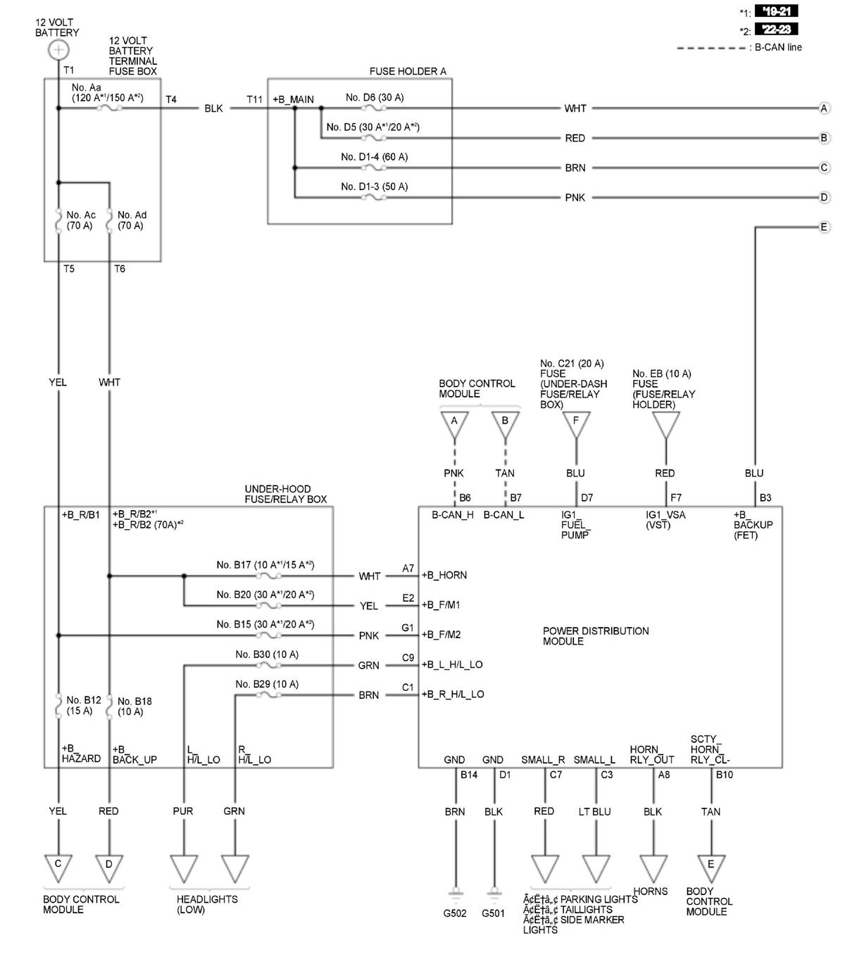
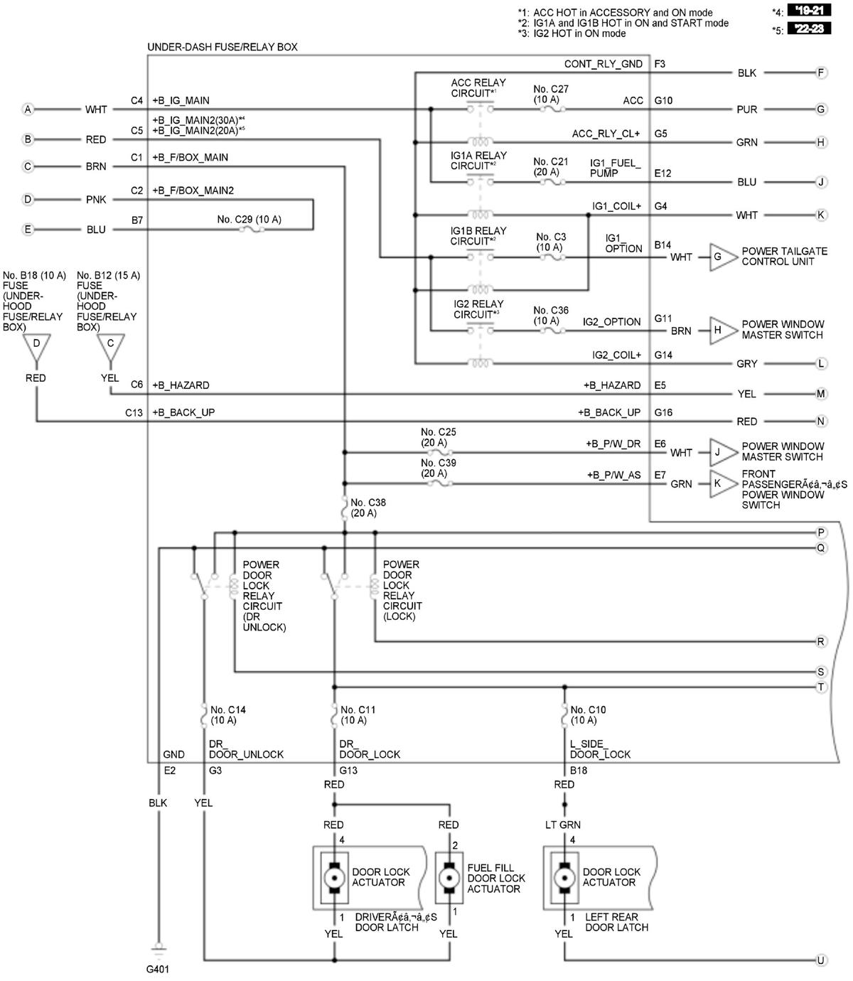
Keyless/Power Door Locks/Security System Circuit Diagram

GHH556505Courtesy of HONDA, U.S.A., INC.
GHH556506Courtesy of HONDA, U.S.A., INC.
GHH556507Courtesy of HONDA, U.S.A., INC.
GHH556508Courtesy of HONDA, U.S.A., INC.
GHH556509Courtesy of HONDA, U.S.A., INC.
GHH556510Courtesy of HONDA, U.S.A., INC.
GHH556511Courtesy of HONDA, U.S.A., INC.