LEMON Manuals: Even more car manuals for everyone
Home >> Acura >> 2019 >> RDX Technology, AWD >> Repair and Diagnosis >> Accessories & Equipment >> Anti-Theft Systems >> Security System / Keyless Entry System - Testing & Troubleshooting >> Circuit Diagram >> Keyless Access System Circuit Diagram

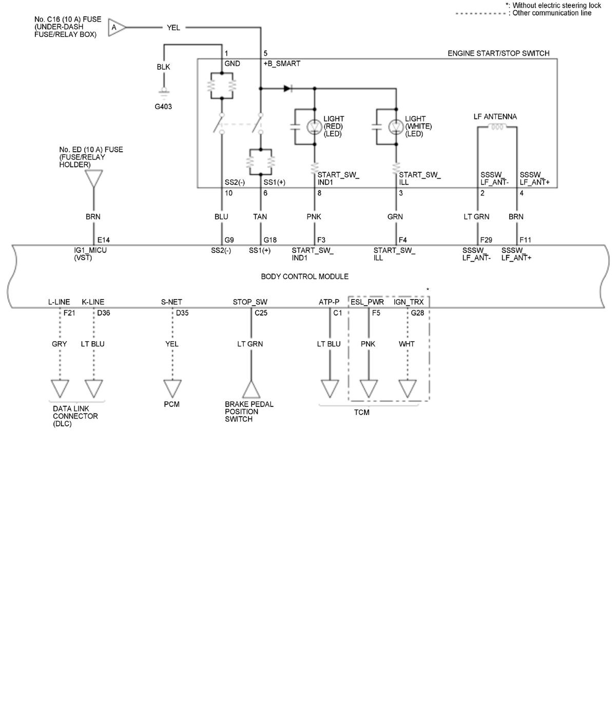
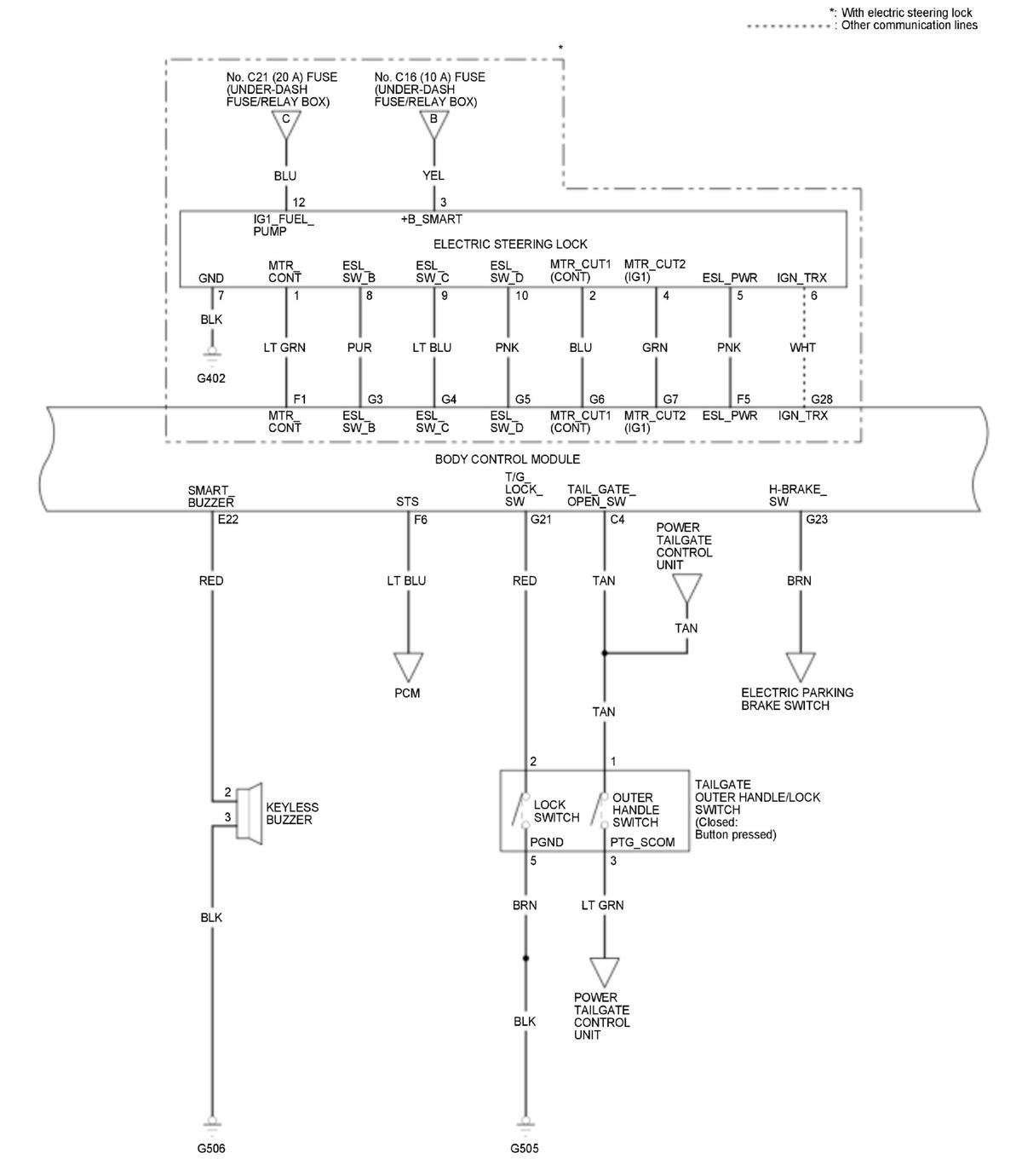
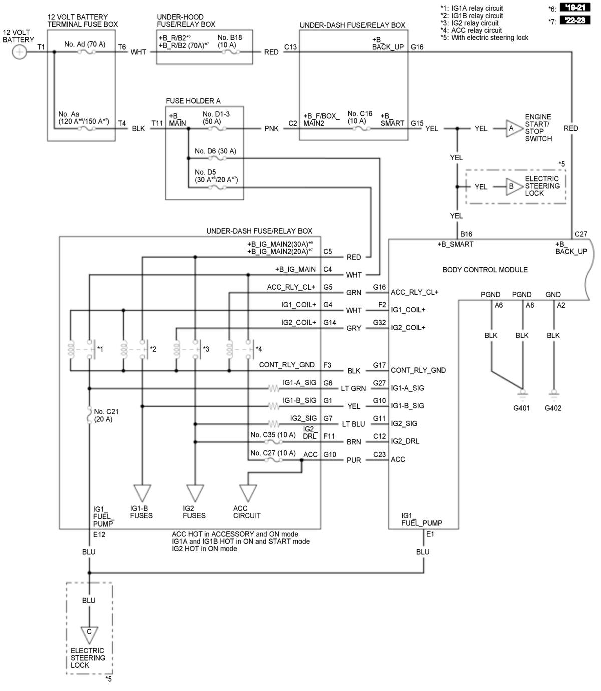
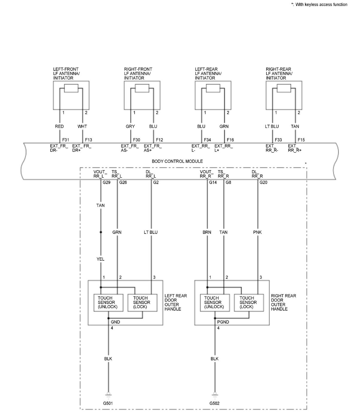
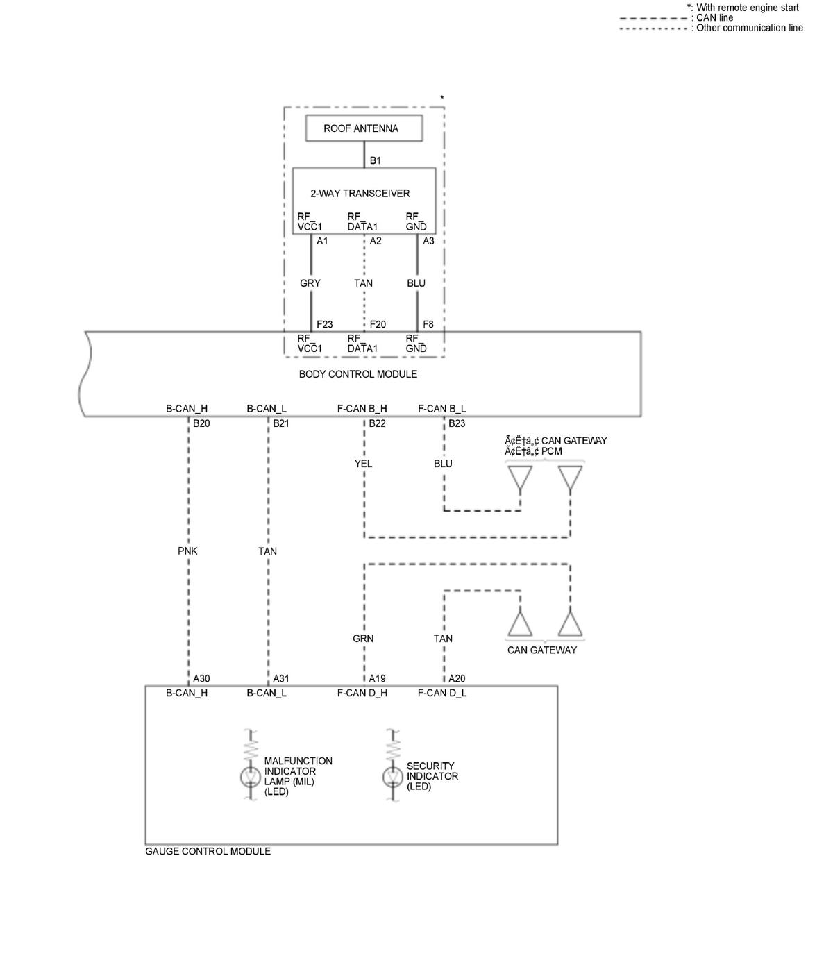
Keyless Access System Circuit Diagram

GHH556499Courtesy of HONDA, U.S.A., INC.
GHH556500Courtesy of HONDA, U.S.A., INC.
GHH556501Courtesy of HONDA, U.S.A., INC.
GHH556502Courtesy of HONDA, U.S.A., INC.
GHH556503Courtesy of HONDA, U.S.A., INC.
GHH556504Courtesy of HONDA, U.S.A., INC.