DTC U129E: F-CAN Malfunction (Powertrain Control Module (PCM)-Power Control Unit (PCU)) (V6, With CAN gateway)
General Description
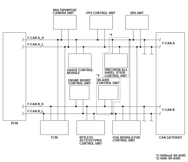
The controller area network (CAN) transmits/receives pulsing signals to/from the control modules simultaneously by using F-CAN A and B signal lines. When the powertrain control module (PCM) does not receive the signals from the keyless access/TPMS control unit via the F-CAN lines for a set time, the PCM detects a malfunction and stores a DTC.
Monitor Execution, Sequence, Duration, DTC Type, OBD Status
| Execution | Continuous |
| Sequence | None |
| Duration | 1.5 seconds or more |
| DTC Type | One drive cycle, MIL off |
| OBD Status | PASSED/FAILED/NOT COMPLETED (STILL TESTING) |
Enable Conditions
| Condition | Minimum | Maximum |
|---|---|---|
| 12 volt battery voltage [BATTERY] | 10.0 V | - |
[ ]: HDS Parameter
Malfunction Threshold
The PCM does not receive any signals via the F-CAN lines for at least 1.5 seconds.
Possible Cause
NOTE: The causes shown may not be a complete list of all potential problems, and it is possible that there may be other causes.
- Keyless access/TPMS control unit failure
- F-CAN circuit F-CAN A_H line open
- F-CAN circuit F-CAN A_L line open
- F-CAN circuit F-CAN A_H line short to ground
- F-CAN circuit F-CAN A_L line short to ground
- F-CAN circuit F-CAN B_H line open
- F-CAN circuit F-CAN B_L line open
- F-CAN circuit F-CAN B_H line short to ground
- F-CAN circuit F-CAN B_L line short to ground
- PCM internal circuit failure
Diagnosis Details
Conditions for setting the DTC
When a malfunction is detected, a Pending DTC, a Confirmed DTC, and the freeze data are stored in the PCM memory. The MIL does not come on.
Conditions for clearing the DTC
The Pending DTC, the Confirmed DTC, and the freeze data can be cleared with the scan tool Clear command or by disconnecting the 12 volt battery.