DTC U0146: F-CAN Malfunction (Powertrain Control Module (PCM)-CAN Gateway) (V6, With CAN gateway)
General Description
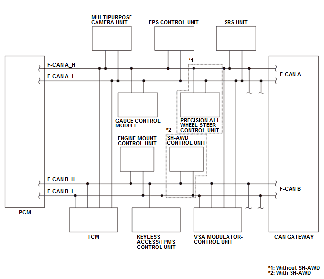
The controller area network (CAN) transmits/receives pulsing signals to/from the control modules simultaneously by using F-CAN A and B signal lines. When the information is not sent from the CAN gateway via the F-CAN lines and this condition continues for a specified time or when the information sent from the CAN gateway is abnormal and this condition continues for a specified cycle, the powertrain control module (PCM) detects a malfunction and stores a DTC.
Monitor Execution, Sequence, Duration, DTC Type, OBD Status
| Execution | Continuous |
| Sequence | None |
| Duration | 1 second or more |
| DTC Type | One drive cycle, MIL on |
| OBD Status | PASSED/FAILED/NOT COMPLETED (STILL TESTING) |
Enable Conditions
| Condition | Minimum | Maximum |
|---|---|---|
| Elapsed time after the vehicle condition is turned to the ON mode | 3 seconds | - |
| 12 volt battery voltage [BATTERY] | 10.0 V | - |
| No active DTCs set (prevents monitor from running) | U0029 | |
[ ]: HDS Parameter
Malfunction Threshold
One of these conditions is met:
- The PCM does not receive any signals via the F-CAN lines for at least 1 second.
- The information sent from the CAN gateway is abnormal at least 20 times.
Possible Cause
NOTE: The causes shown may not be a complete list of all potential problems, and it is possible that there may be other causes.
- CAN gateway failure
- F-CAN circuit F-CAN A_H line open
- F-CAN circuit F-CAN A_L line open
- F-CAN circuit F-CAN A_H line short to ground
- F-CAN circuit F-CAN A_L line short to ground
- F-CAN circuit F-CAN B_H line open
- F-CAN circuit F-CAN B_L line open
- F-CAN circuit F-CAN B_H line short to ground
- F-CAN circuit F-CAN B_L line short to ground
- PCM internal circuit failure
Diagnosis Details
Conditions for setting the DTC
When a malfunction is detected, the MIL comes on and a Pending DTC, a Confirmed DTC, and the freeze data are stored in the PCM memory.
Conditions for clearing the DTC
The MIL is cleared if the malfunction does not return in three consecutive trips in which the diagnostic runs. The MIL, the Pending DTC, the Confirmed DTC, and the freeze data can be cleared with the scan tool Clear command or by disconnecting the 12 volt battery.