LEMON Manuals: Even more car manuals for everyone
Home >> Acura >> 2017 >> TLX SH-AWD >> Repair and Diagnosis >> Engine Performance >> System >> Engine Control System - Diagnostics & Advanced Diagnostics >> DTC Advanced Diagnostics >> DTC U0122: F-CAN Malfunction (Powertrain Control Module (PCM)-VSA Modulator-Control Unit) (V6, With CAN gateway)

DTC U0122: F-CAN Malfunction (Powertrain Control Module (PCM)-VSA Modulator-Control Unit) (V6, With CAN gateway)

General Description 

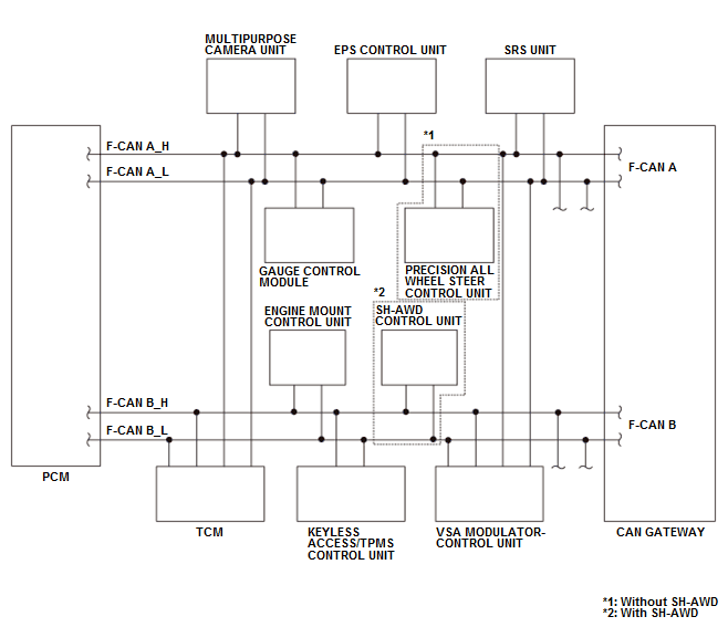
GHH198197Courtesy of HONDA, U.S.A., INC.

The controller area network (CAN) transmits/receives pulsing signals to/from the control modules simultaneously by using F-CAN A and B signal lines. When the information is not sent from the VSA modulator-control unit via the F-CAN lines and this condition continues for a specified time or when the information sent from the VSA modulator-control unit is abnormal and this condition continues for a specified cycle, the powertrain control module (PCM) detects a malfunction and stores a DTC.

Monitor Execution, Sequence, Duration, DTC Type, OBD Status 

Execution Continuous
Sequence None
Duration 1 second or more
DTC Type One drive cycle, MIL off
OBD Status PASSED/FAILED/NOT COMPLETED (STILL TESTING)

Enable Conditions 

Condition Minimum Maximum
Elapsed time after the vehicle condition is turned to the ON mode 3 seconds -
12 volt battery voltage [BATTERY] 10.0 V -
No active DTCs set (prevents monitor from running) U0029

[ ]: HDS Parameter

Malfunction Threshold 

One of these conditions is met:

Possible Cause 

NOTE:  The causes shown may not be a complete list of all potential problems, and it is possible that there may be other causes.

Diagnosis Details 

Conditions for setting the DTC 

When a malfunction is detected, a Pending DTC, a Confirmed DTC, and the freeze data are stored in the PCM memory. The MIL does not come on.

Conditions for clearing the DTC 

The Pending DTC, the Confirmed DTC, and the freeze data can be cleared with the scan tool Clear command or by disconnecting the 12 volt battery.