DTC U0101: F-CAN Malfunction (Powertrain Control Module (PCM)-Transmission Control Module (TCM)) (V6, With CAN gateway) (2017-19)
General Description
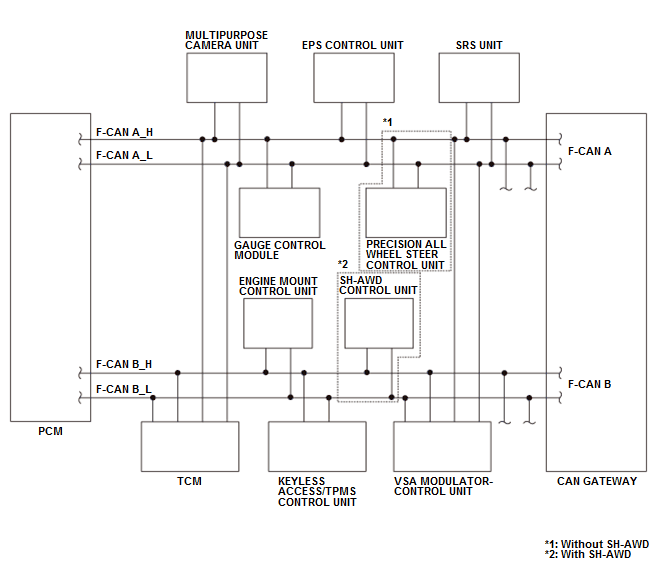
The controller area network (CAN) transmits/receives pulsing signals to/from the control modules simultaneously by using F-CAN A and B signal lines. When the powertrain control module (PCM) does not receive the signals from the transmission control module (TCM) via the F-CAN lines for a set time, the PCM detects a malfunction and stores a DTC.
Monitor Execution, Sequence, Duration, DTC Type, OBD Status
| Execution | Continuous |
| Sequence | None |
| Duration | 1.5 seconds or more |
| DTC Type | One drive cycle, MIL on |
| OBD Status | PASSED/FAILED/NOT COMPLETED (STILL TESTING) |
Enable Conditions
| Condition | Minimum | Maximum |
|---|---|---|
| 12 volt battery voltage [BATTERY] | 10.0 V | - |
| No active DTCs set (prevents monitor from running) | U0029 | |
[ ]: HDS Parameter
Malfunction Threshold
The PCM does not receive any signals via F-CAN lines for at least 1.5 seconds.
Possible Cause
NOTE: The causes shown may not be a complete list of all potential problems, and it is possible that there may be other causes.
- TCM failure (include fuse fall-outs)
- F-CAN circuit F-CAN A_H line open
- F-CAN circuit F-CAN A_L line open
- F-CAN circuit F-CAN A_H line short to ground
- F-CAN circuit F-CAN A_L line short to ground
- F-CAN circuit F-CAN B_H line open
- F-CAN circuit F-CAN B_L line open
- F-CAN circuit F-CAN B_H line short to ground
- F-CAN circuit F-CAN B_L line short to ground
- PCM internal circuit failure
Diagnosis Details
Conditions for setting the DTC
When a malfunction is detected, the MIL comes on and a Pending DTC, a Confirmed DTC, and the freeze data are stored in the PCM memory.
Conditions for clearing the DTC
The MIL is cleared if the malfunction does not return in three consecutive trips in which the diagnostic runs. The MIL, the Pending DTC, the Confirmed DTC, and the freeze data can be cleared with the scan tool Clear command or by disconnecting the 12 volt battery.