LEMON Manuals: Even more car manuals for everyone
Home >> Acura >> 2017 >> TLX SH-AWD >> Repair and Diagnosis >> Engine Performance >> System >> Engine Control System - Diagnostics & Advanced Diagnostics >> DTC Advanced Diagnostics >> DTC U0101: F-CAN Malfunction (Powertrain Control Module (PCM)-Transmission Control Module (TCM)) (V6, With CAN gateway) (2015-16)

DTC U0101: F-CAN Malfunction (Powertrain Control Module (PCM)-Transmission Control Module (TCM)) (V6, With CAN gateway) (2015-16)

General Description 

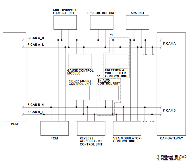
GHH198190Courtesy of HONDA, U.S.A., INC.

The controller area network (CAN) transmits/receives pulsing signals to/from the control modules simultaneously by using F-CAN A and B signal lines. When the powertrain control module (PCM) does not receive the signals from the transmission control module (TCM) via the F-CAN lines for a set time, the PCM detects a malfunction and stores a DTC.

Monitor Execution, Sequence, Duration, DTC Type, OBD Status 

Execution Continuous
Sequence None
Duration 1.5 seconds or more
DTC Type One drive cycle, MIL off
OBD Status PASSED/FAILED/NOT COMPLETED (STILL TESTING)

Enable Conditions 

Condition Minimum Maximum
12 volt battery voltage [BATTERY] 10.0 V -
No active DTCs set (prevents monitor from running) U0029

[ ]: HDS Parameter

Malfunction Threshold 

The PCM does not receive any signals via F-CAN lines for at least 1.5 seconds.

Possible Cause 

NOTE:  The causes shown may not be a complete list of all potential problems, and it is possible that there may be other causes.

Diagnosis Details 

Conditions for setting the DTC 

When a malfunction is detected, a Pending DTC, a Confirmed DTC, and the freeze data are stored in the PCM memory. The MIL does not come on.

Conditions for clearing the DTC 

The Pending DTC, the Confirmed DTC, and the freeze data can be cleared with the scan tool Clear command or by disconnecting the 12 volt battery.