LEMON Manuals: Even more car manuals for everyone
Home >> Acura >> 2017 >> TLX SH-AWD >> Repair and Diagnosis >> Engine Performance >> System >> Engine Control System - Diagnostics & Advanced Diagnostics >> DTC Advanced Diagnostics >> DTC U0047: F-CAN Malfunction For The Second Channel (BUS-OFF (Powertrain Control Module (PCM))) (V6, With CAN gateway)

DTC U0047: F-CAN Malfunction For The Second Channel (BUS-OFF (Powertrain Control Module (PCM))) (V6, With CAN gateway)

General Description 

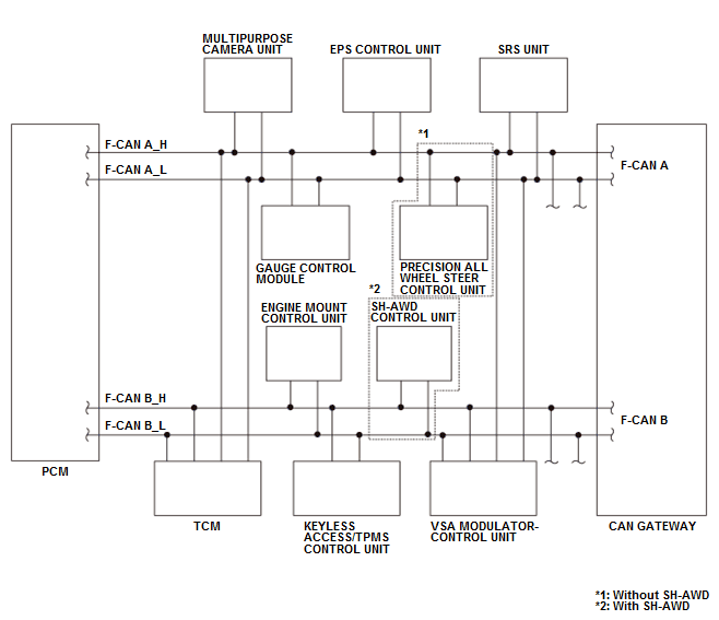
GHH198189Courtesy of HONDA, U.S.A., INC.

The controller area network (CAN) transmits/receives pulsing signals to/from the control modules simultaneously by using F-CAN A and F-CAN B signal lines. When the powertrain control module (PCM) does not receive the signals via the F-CAN lines for a set time, the PCM detects a malfunction and stores a DTC.

Monitor Execution, Sequence, Duration, DTC Type, OBD Status 

Execution Continuous
Sequence None
Duration 1 second or more
DTC Type One drive cycle, MIL on
OBD Status PASSED/FAILED/NOT COMPLETED (STILL TESTING)

Enable Conditions 

Condition Minimum Maximum
12 volt battery voltage [BATTERY] 10.0 V -

[ ]: HDS Parameter

Malfunction Threshold 

The PCM does not receive any signals via the F-CAN B lines for at least 1 second.

Possible Cause 

NOTE:  The causes shown may not be a complete list of all potential problems, and it is possible that there may be other causes.

Diagnosis Details 

Conditions for setting the DTC 

When a malfunction is detected, the MIL comes on and a Pending DTC, a Confirmed DTC, and the freeze data are stored in the PCM memory.

Conditions for clearing the DTC 

The MIL is cleared if the malfunction does not return in three consecutive trips in which the diagnostic runs. The MIL, the Pending DTC, the Confirmed DTC, and the freeze data can be cleared with the scan tool Clear command or by disconnecting the 12 volt battery.