LEMON Manuals: Even more car manuals for everyone
Home >> Acura >> 2017 >> TLX Base, 2.4L Eng >> Repair and Diagnosis >> Accessories & Equipment >> Anti-Theft Systems >> Security System Keyless Entry System - Testing & Troubleshooting >> Circuit Diagram >> Keyless/Power Door Locks/Security System Circuit Diagram (Without SH-AWD) (2015-17)

Keyless/Power Door Locks/Security System Circuit Diagram (Without SH-AWD) (2015-17)

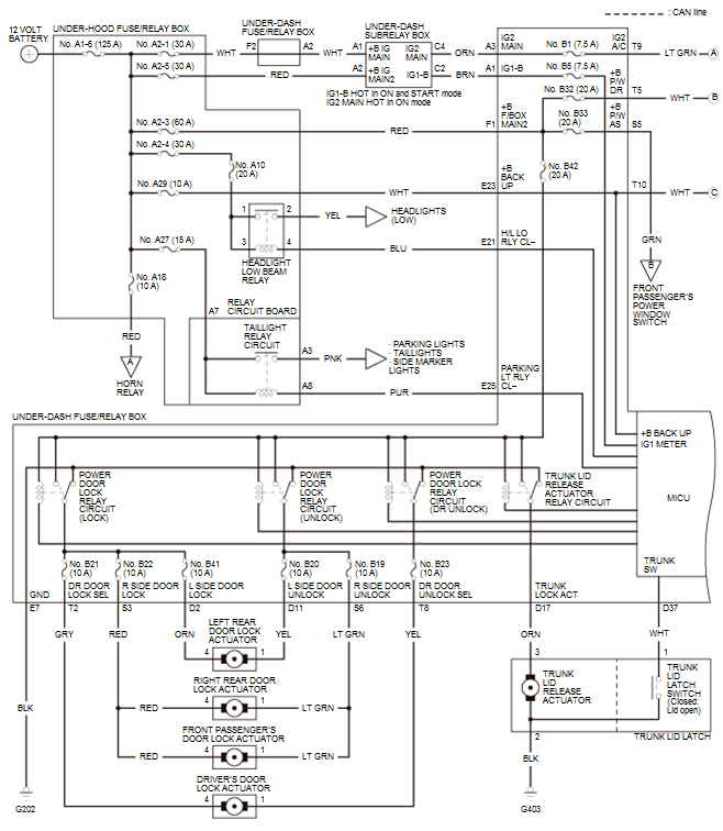
GHH203658Courtesy of HONDA, U.S.A., INC.
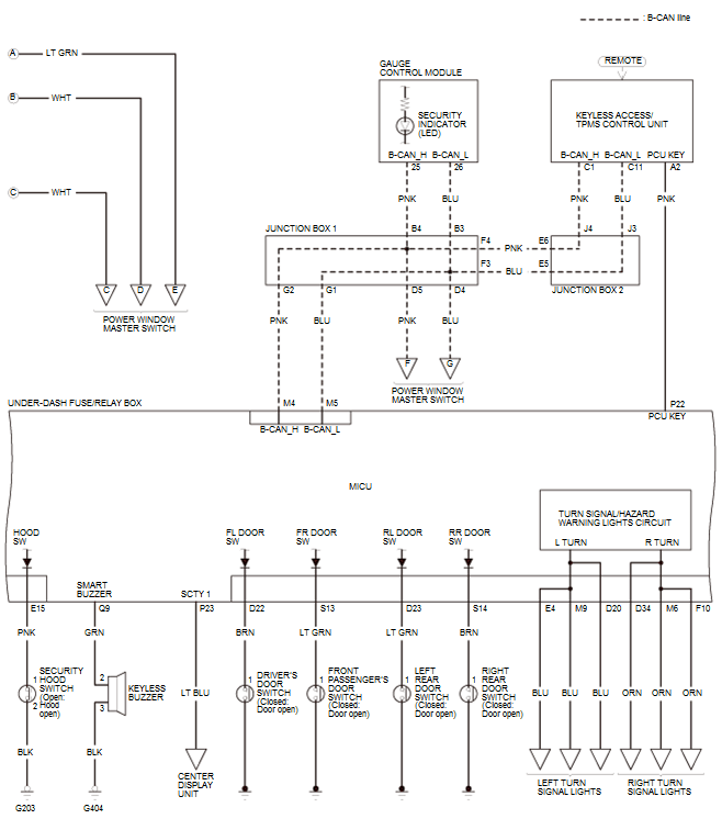
GHH203659Courtesy of HONDA, U.S.A., INC.
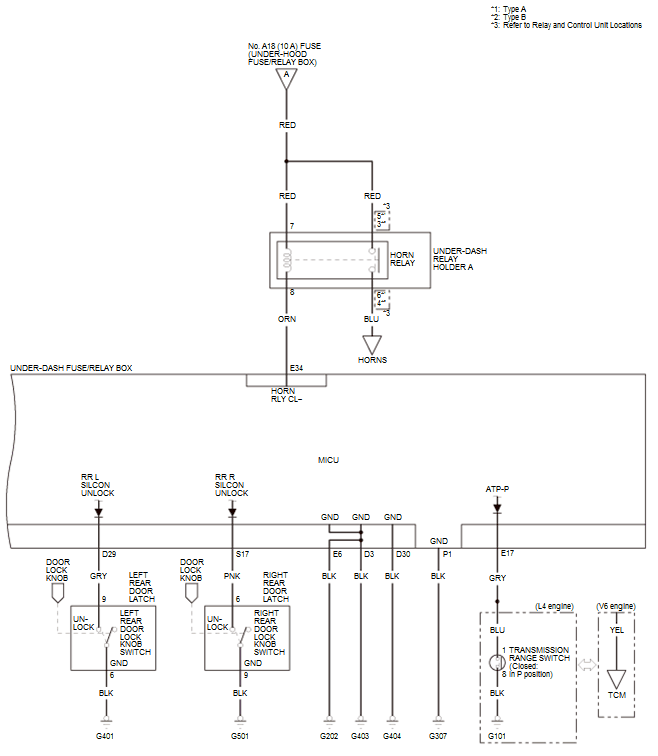
GHH203660Courtesy of HONDA, U.S.A., INC.
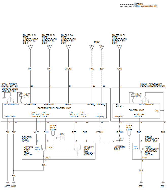
GHH203661Courtesy of HONDA, U.S.A., INC.