LEMON Manuals: Even more car manuals for everyone
Home >> Acura >> 2017 >> TLX Base, 2.4L Eng >> Repair and Diagnosis >> Accessories & Equipment >> Anti-Theft Systems >> Security System Keyless Entry System - Testing & Troubleshooting >> Circuit Diagram >> Keyless Access System Circuit Diagram (Without SH-AWD) (2015-17)

Keyless Access System Circuit Diagram (Without SH-AWD) (2015-17)

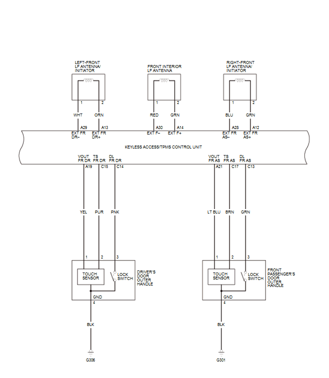
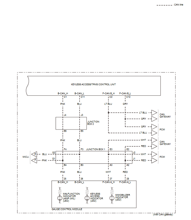
GHH163945Courtesy of HONDA, U.S.A., INC.
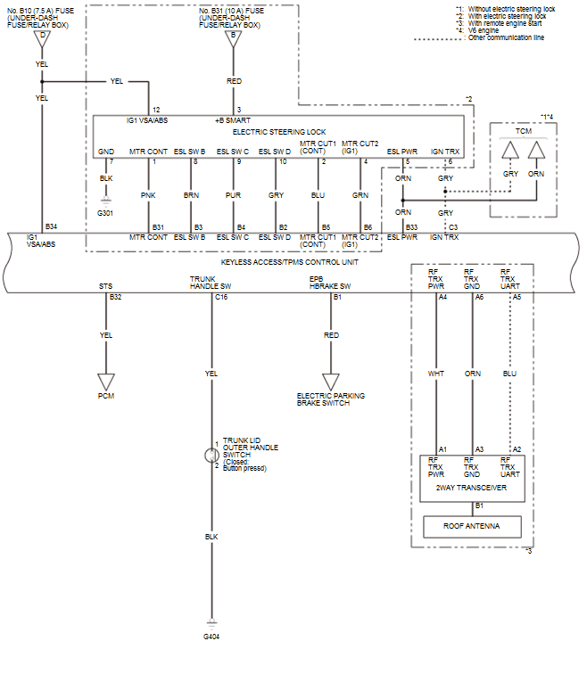
GHH163946Courtesy of HONDA, U.S.A., INC.
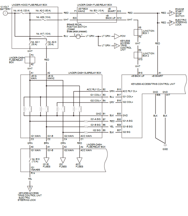
GHH163947Courtesy of HONDA, U.S.A., INC.
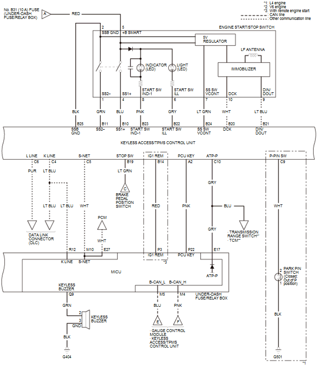
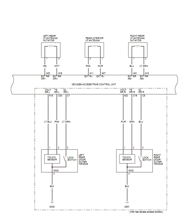
GHH163948Courtesy of HONDA, U.S.A., INC.
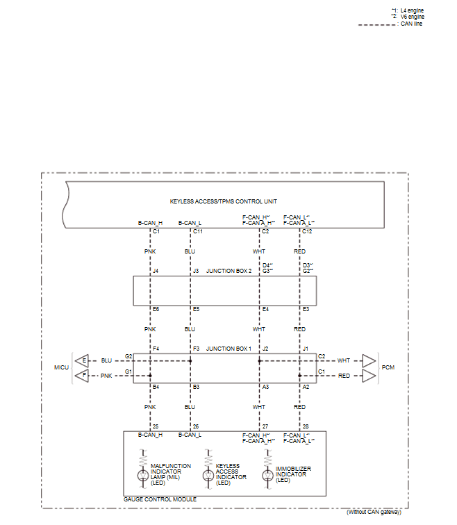
GHH163949Courtesy of HONDA, U.S.A., INC.
GHH163950Courtesy of HONDA, U.S.A., INC.
GHH163951Courtesy of HONDA, U.S.A., INC.