LEMON Manuals: Even more car manuals for everyone
Home >> Acura >> 2017 >> TLX Base, 2.4L Eng >> Repair and Diagnosis >> Accessories & Equipment >> Anti-Theft Systems >> Security System Keyless Entry System - Testing & Troubleshooting >> Circuit Diagram >> Keyless Access System Circuit Diagram (With SH-AWD) (2015-17)

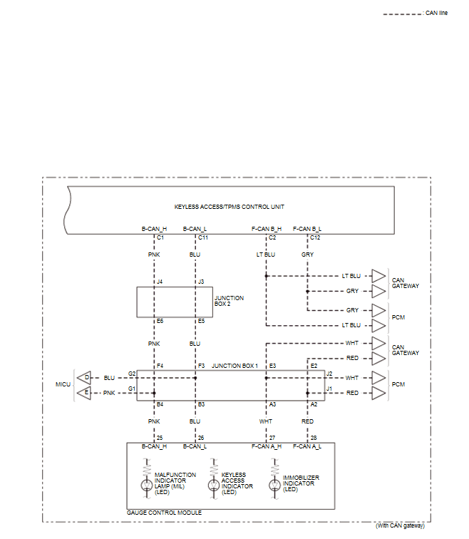
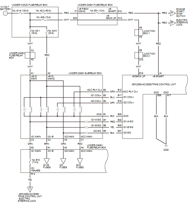
Keyless Access System Circuit Diagram (With SH-AWD) (2015-17)

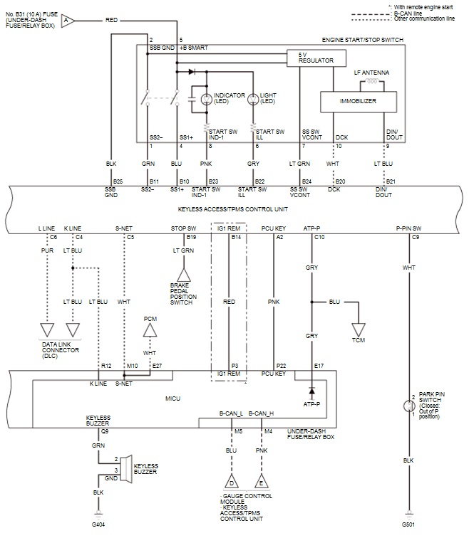
GHH163952Courtesy of HONDA, U.S.A., INC.
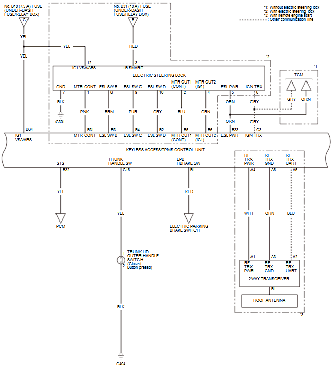
GHH163953Courtesy of HONDA, U.S.A., INC.
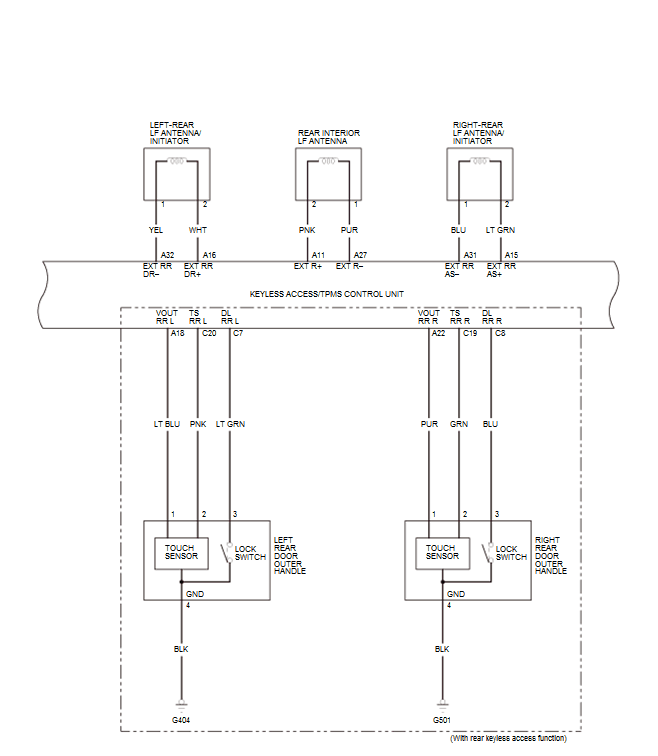
GHH163954Courtesy of HONDA, U.S.A., INC.
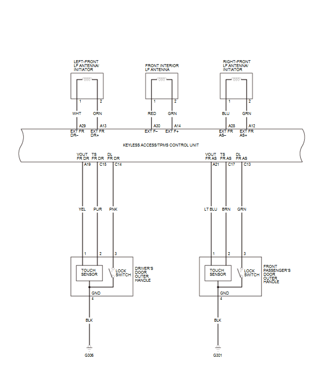
GHH163955Courtesy of HONDA, U.S.A., INC.
GHH163956Courtesy of HONDA, U.S.A., INC.
GHH163957Courtesy of HONDA, U.S.A., INC.
GHH163958Courtesy of HONDA, U.S.A., INC.