LEMON Manuals: Even more car manuals for everyone
Home >> Acura >> 2017 >> TLX Base, 2.4L Eng >> Repair and Diagnosis >> Accessories & Equipment >> Anti-Theft Systems >> Security System Keyless Entry System - Testing & Troubleshooting >> Circuit Diagram >> HomeLink Remote Control System Circuit Diagram (2015-17)

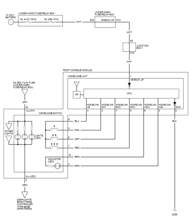
HomeLink Remote Control System Circuit Diagram (2015-17)

GHH163944Courtesy of HONDA, U.S.A., INC.