LEMON Manuals: Even more car manuals for everyone
Home >> Acura >> 2017 >> RLX Base >> Repair and Diagnosis (Single Page) >> Accessories & Equipment >> Communication Devices >> Multiplex Integrated Control Systems - Testing & Troubleshooting (Except Hybrid) >> Circuit Diagram >> Multiplex Integrated Control System Circuit Diagram (2016 2017)

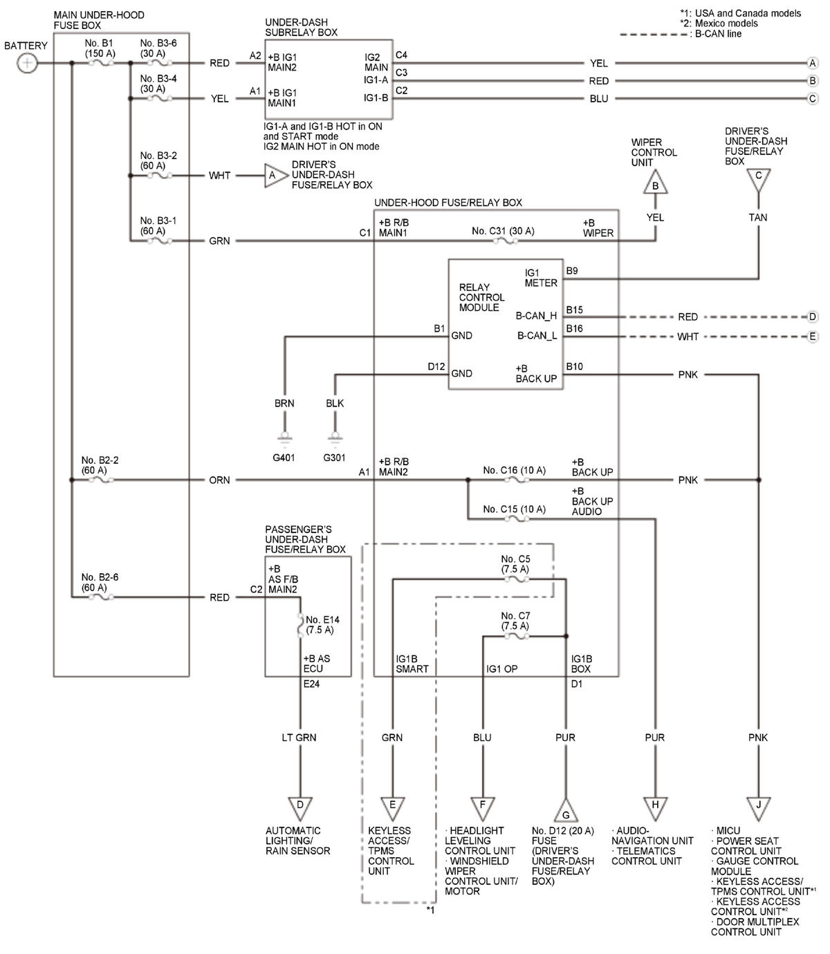
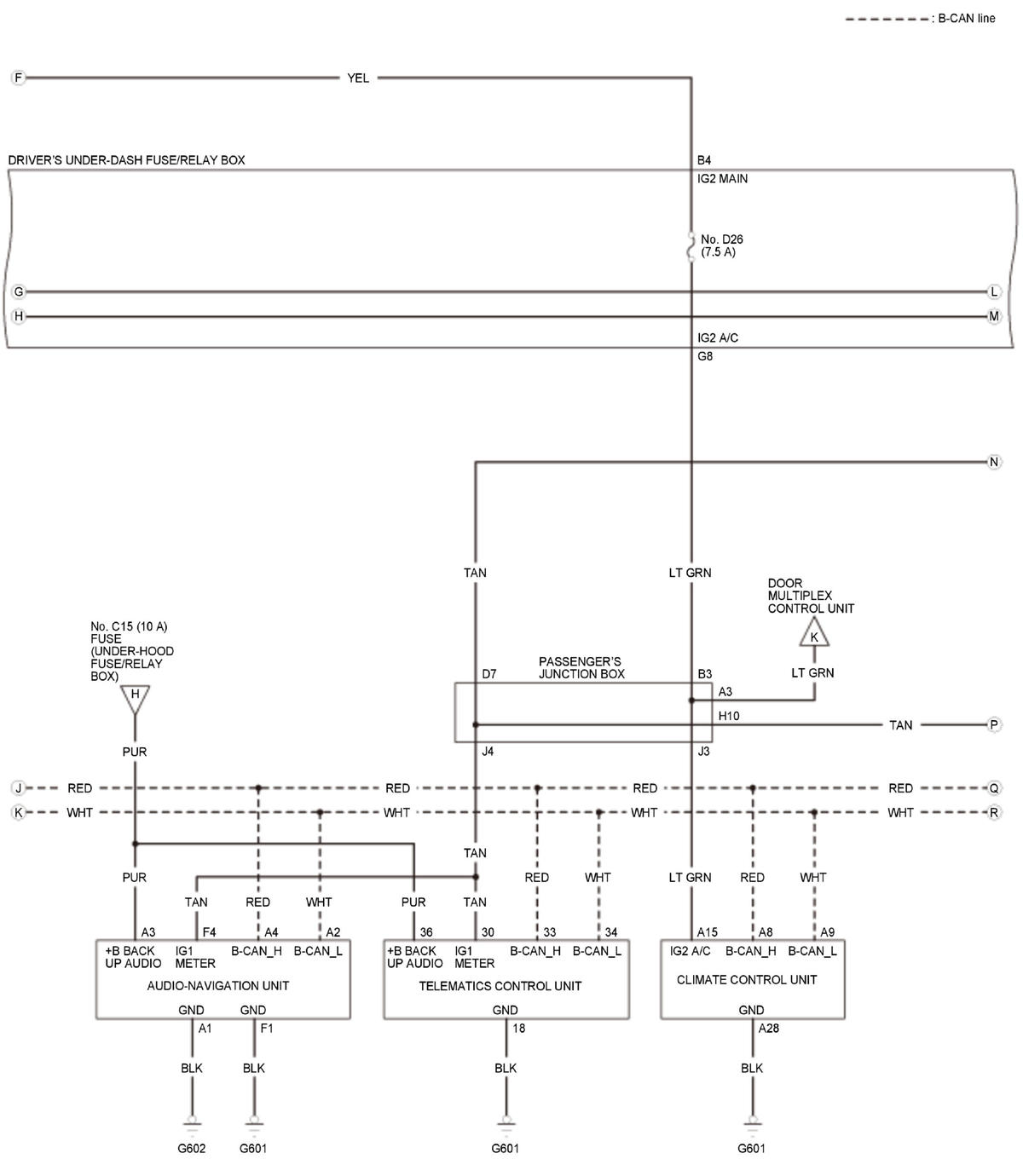
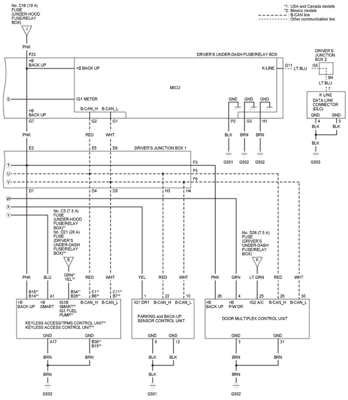
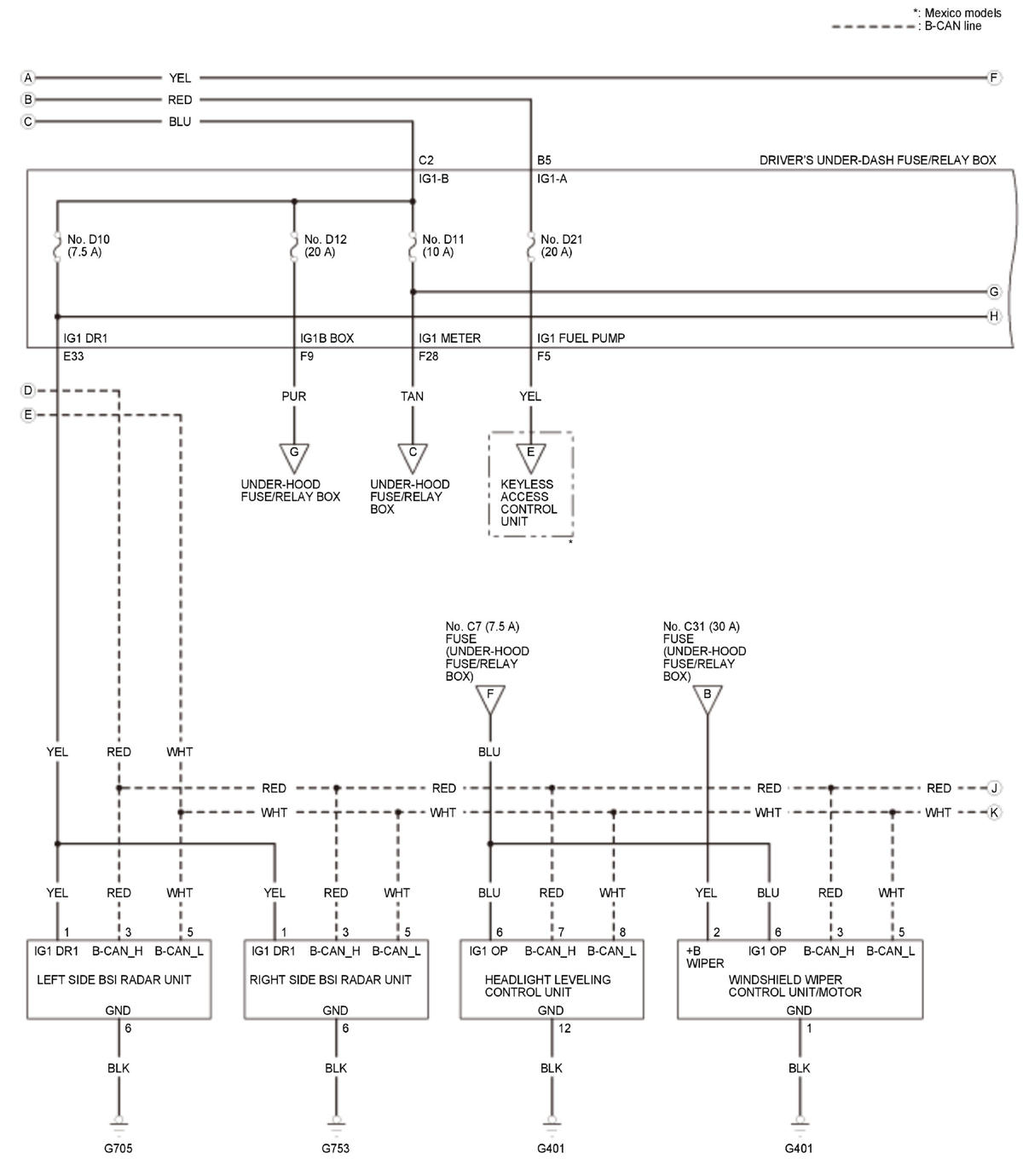
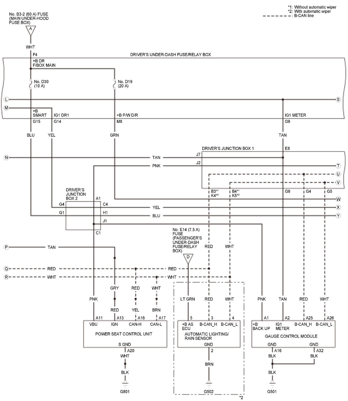
Multiplex Integrated Control System Circuit Diagram (2016 2017)

GHH348187Courtesy of HONDA, U.S.A., INC.
GHH348188Courtesy of HONDA, U.S.A., INC.
GHH348189Courtesy of HONDA, U.S.A., INC.
GHH348190Courtesy of HONDA, U.S.A., INC.
GHH348191Courtesy of HONDA, U.S.A., INC.