LEMON Manuals: Even more car manuals for everyone
Home >> Acura >> 2017 >> RLX Base >> Repair and Diagnosis (Single Page) >> Accessories & Equipment >> Anti-Theft Systems >> Security System Keyless Entry System - Testing & Troubleshooting (Except Hybrid) >> Circuit Diagram >> Keyless/Power Door Locks/Security System Circuit Diagram (2018 2019 2020)

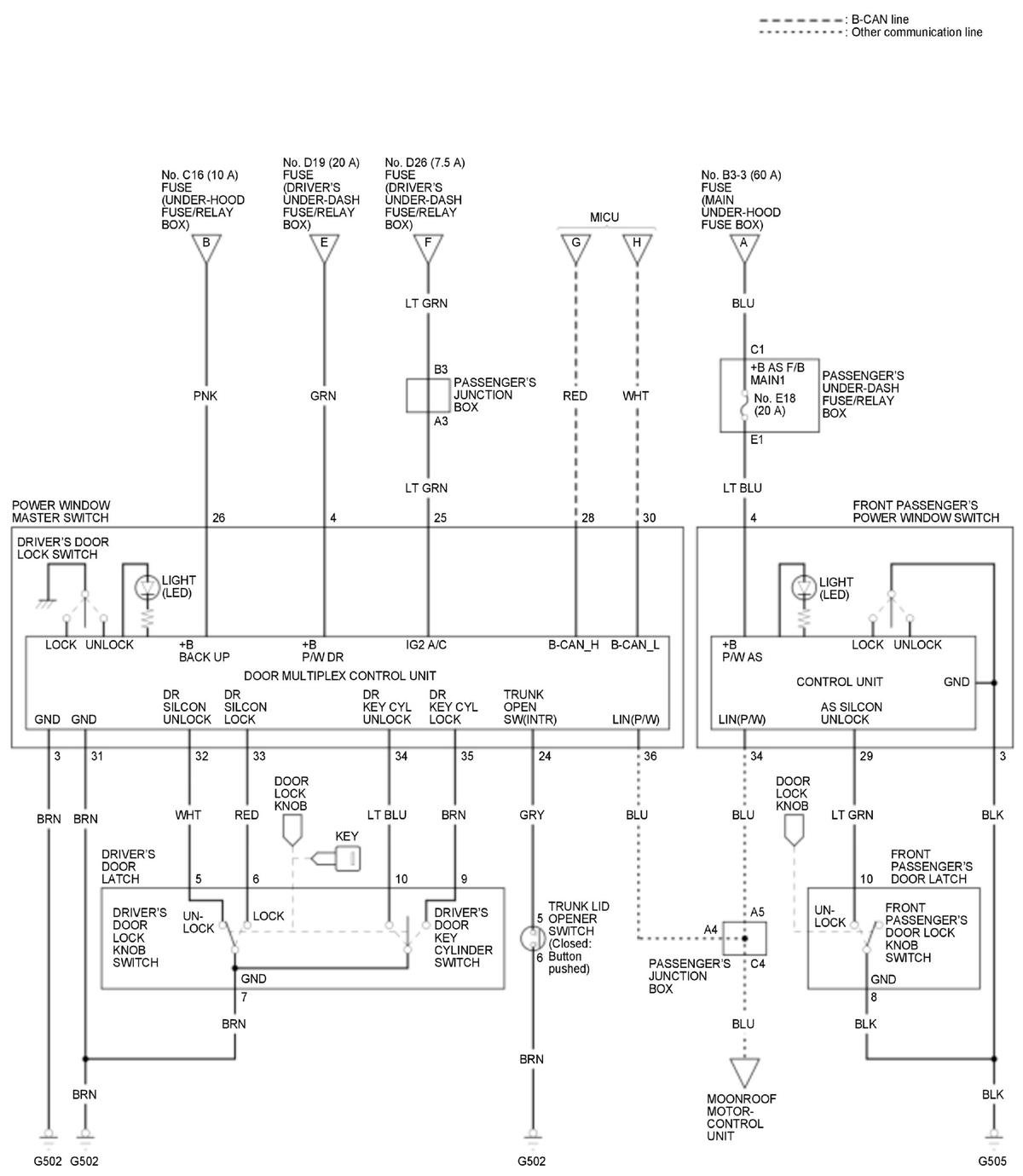
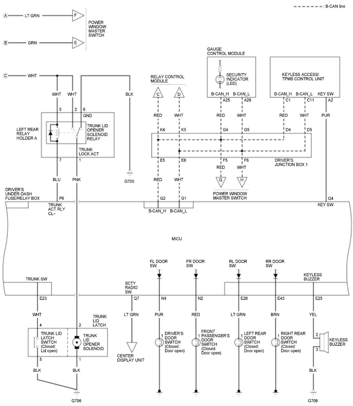
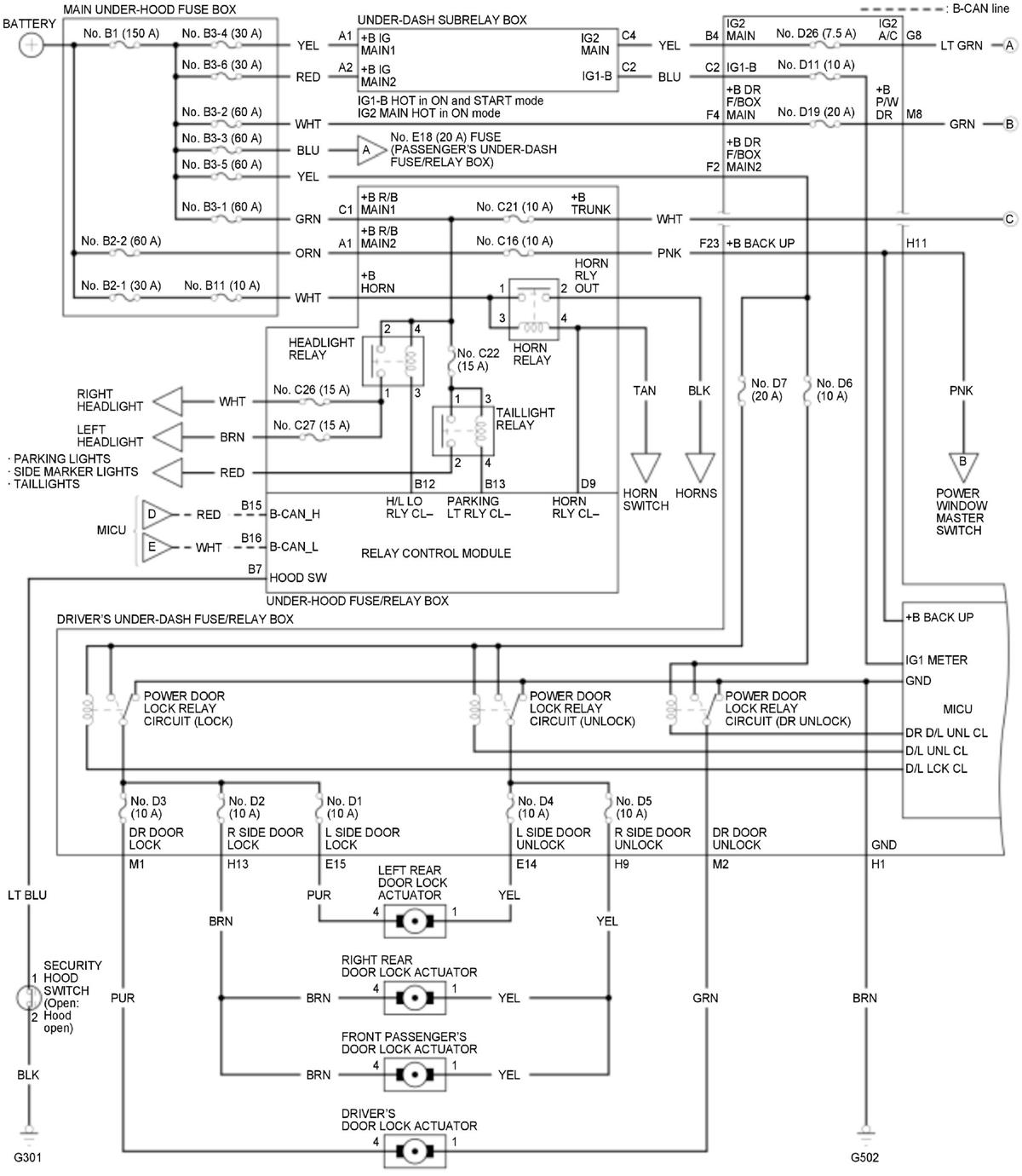
Keyless/Power Door Locks/Security System Circuit Diagram (2018 2019 2020)

GHH350953Courtesy of HONDA, U.S.A., INC.
GHH350954Courtesy of HONDA, U.S.A., INC.
GHH350955Courtesy of HONDA, U.S.A., INC.
GHH350956Courtesy of HONDA, U.S.A., INC.