LEMON Manuals: Even more car manuals for everyone
Home >> Acura >> 2017 >> RLX Base >> Repair and Diagnosis (Single Page) >> Accessories & Equipment >> Anti-Theft Systems >> Security System Keyless Entry System - Testing & Troubleshooting (Except Hybrid) >> Circuit Diagram >> Keyless/Power Door Locks/Security System Circuit Diagram (2016 2017)

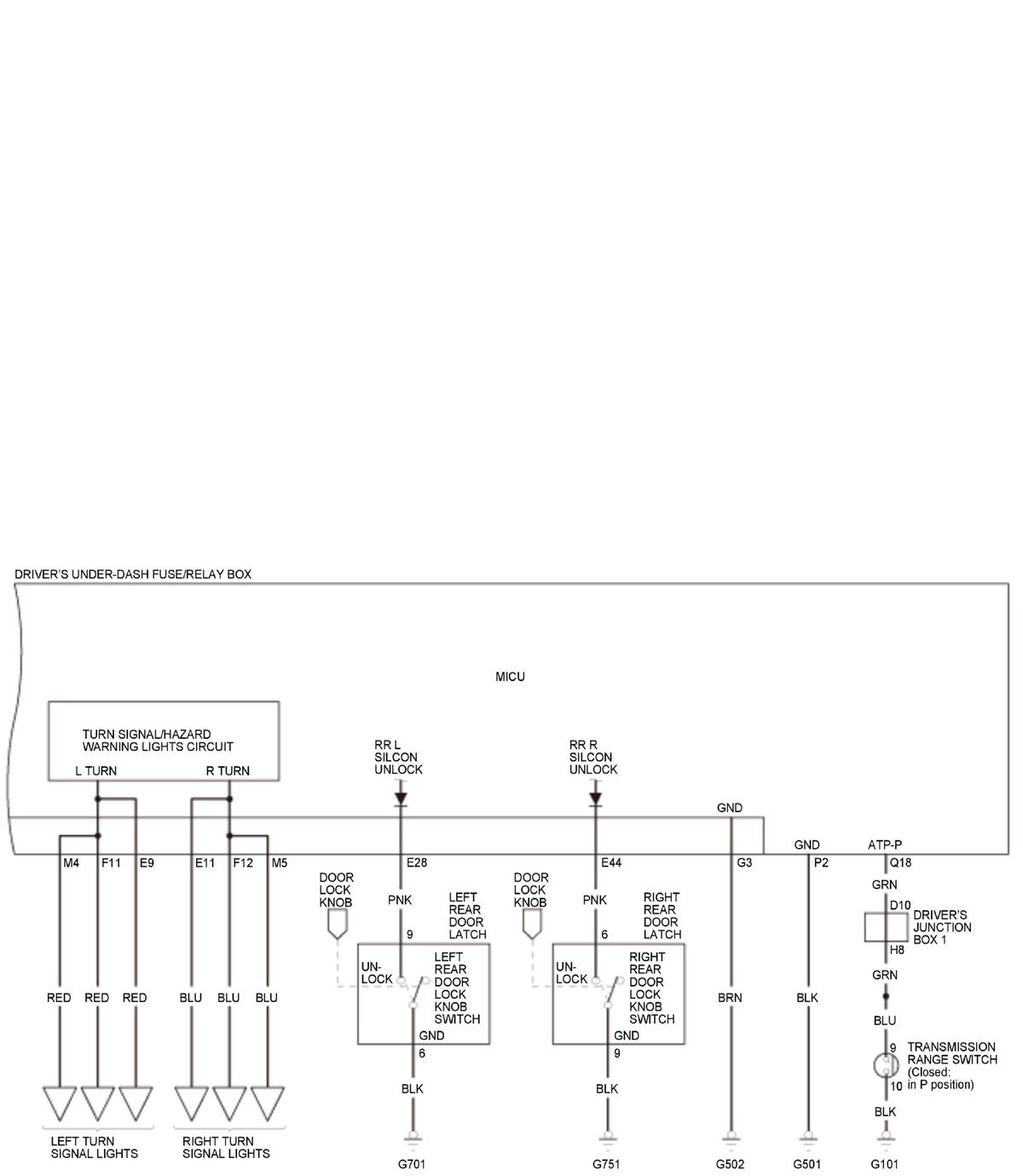
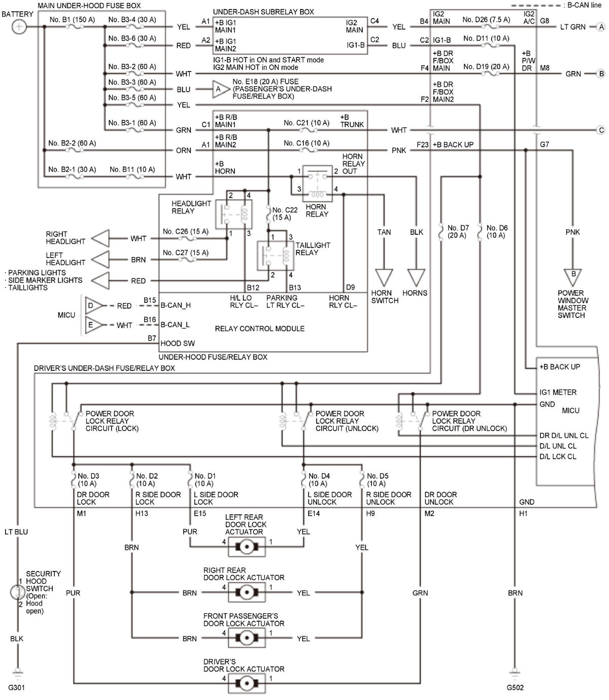
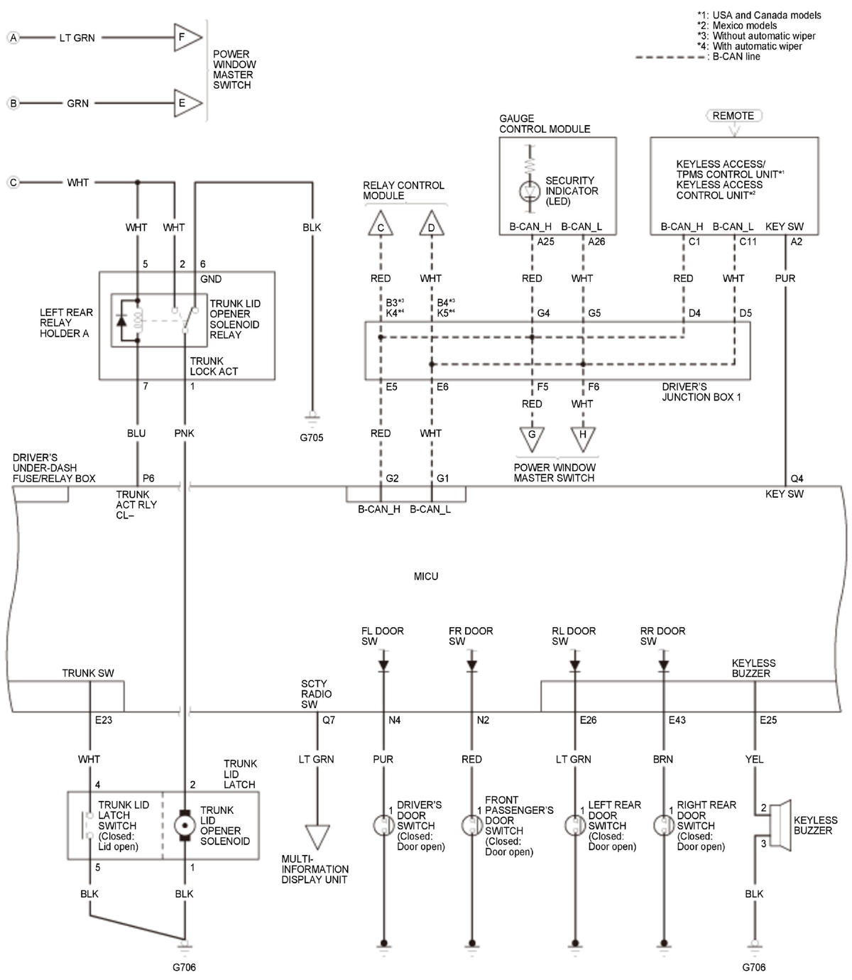
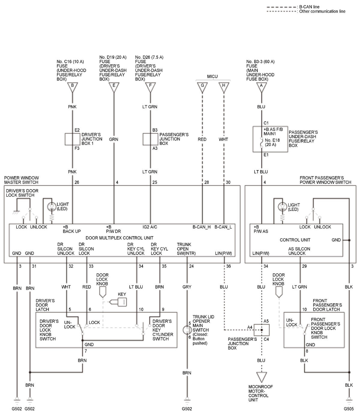
Keyless/Power Door Locks/Security System Circuit Diagram (2016 2017)

GHH350949Courtesy of HONDA, U.S.A., INC.
GHH350950Courtesy of HONDA, U.S.A., INC.
GHH350951Courtesy of HONDA, U.S.A., INC.
GHH350952Courtesy of HONDA, U.S.A., INC.