LEMON Manuals: Even more car manuals for everyone
Home >> Acura >> 2017 >> RLX Base >> Repair and Diagnosis (Single Page) >> Accessories & Equipment >> Anti-Theft Systems >> Security System Keyless Entry System - Testing & Troubleshooting (Except Hybrid) >> Circuit Diagram >> Keyless/Power Door Locks/Security System Circuit Diagram (2014 2015)

Keyless/Power Door Locks/Security System Circuit Diagram (2014 2015)

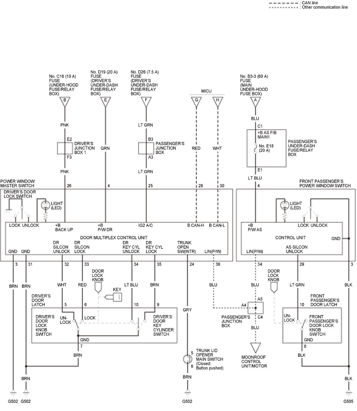
GHH350945Courtesy of HONDA, U.S.A., INC.
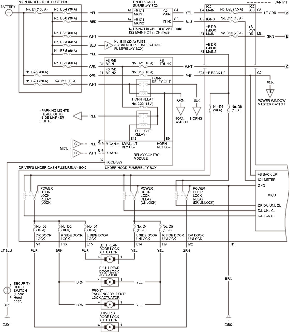
GHH350946Courtesy of HONDA, U.S.A., INC.
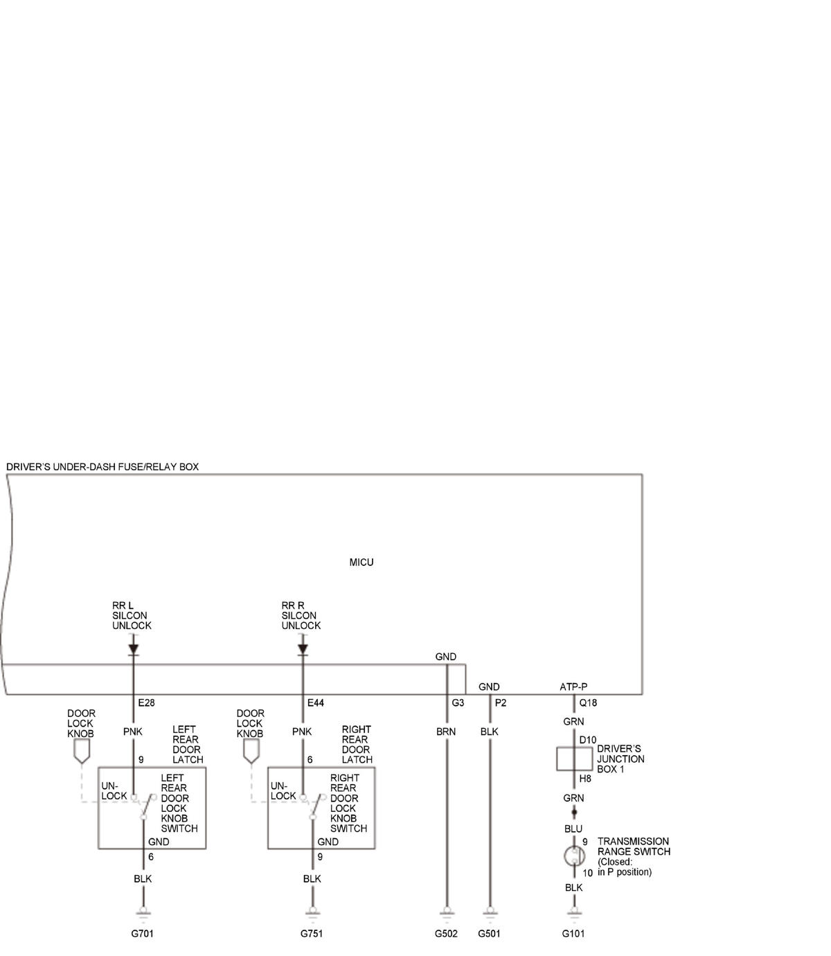
GHH350947Courtesy of HONDA, U.S.A., INC.
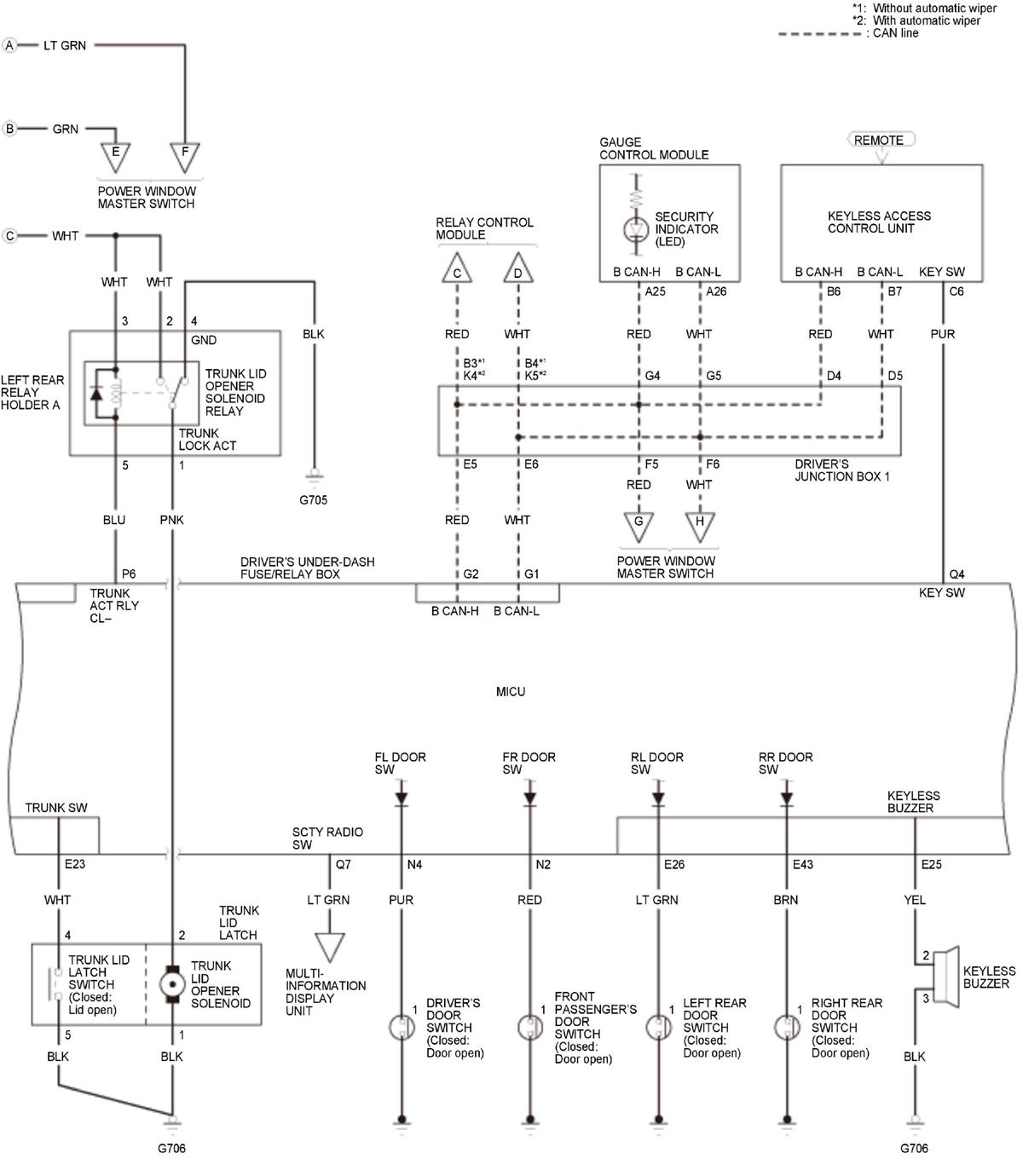
GHH350948Courtesy of HONDA, U.S.A., INC.