LEMON Manuals: Even more car manuals for everyone
Home >> Acura >> 2017 >> RLX Base >> Repair and Diagnosis (Single Page) >> Accessories & Equipment >> Anti-Theft Systems >> Security System Keyless Entry System - Testing & Troubleshooting (Except Hybrid) >> Circuit Diagram >> Keyless Access System Circuit Diagram (2014 2015)

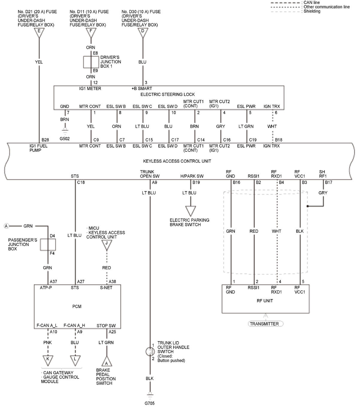
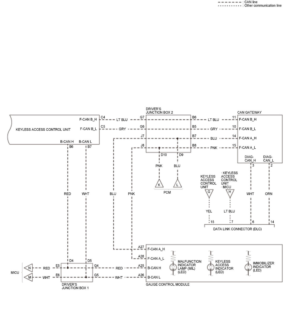
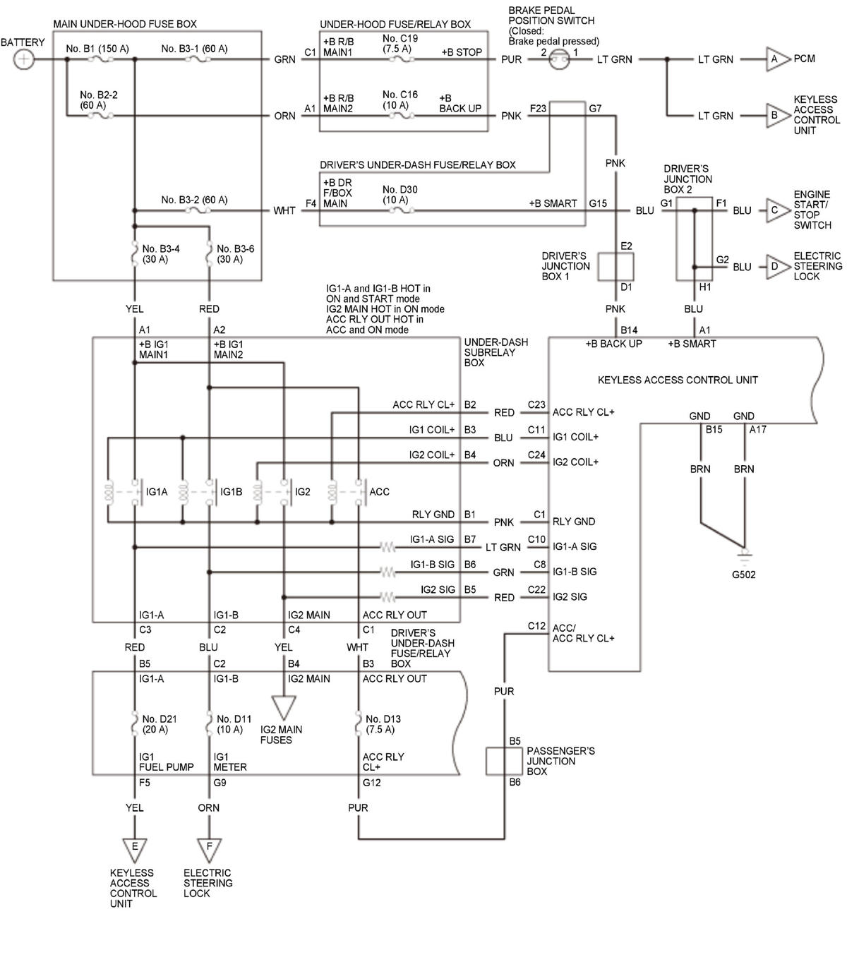
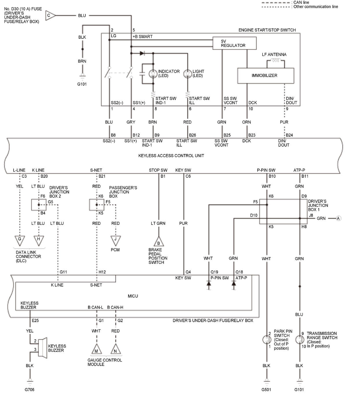
Keyless Access System Circuit Diagram (2014 2015)

GHH350927Courtesy of HONDA, U.S.A., INC.
GHH350928Courtesy of HONDA, U.S.A., INC.
GHH350929Courtesy of HONDA, U.S.A., INC.
GHH350930Courtesy of HONDA, U.S.A., INC.
GHH350931Courtesy of HONDA, U.S.A., INC.
GHH350932Courtesy of HONDA, U.S.A., INC.