LEMON Manuals: Even more car manuals for everyone
Home >> Acura >> 2017 >> RLX Base >> Repair and Diagnosis (Single Page) >> Accessories & Equipment >> Anti-Theft Systems >> Security System Keyless Entry System - Testing & Troubleshooting (Except Hybrid) >> Circuit Diagram >> HomeLink Remote Control System Circuit Diagram (2017 2018 2019 2020)

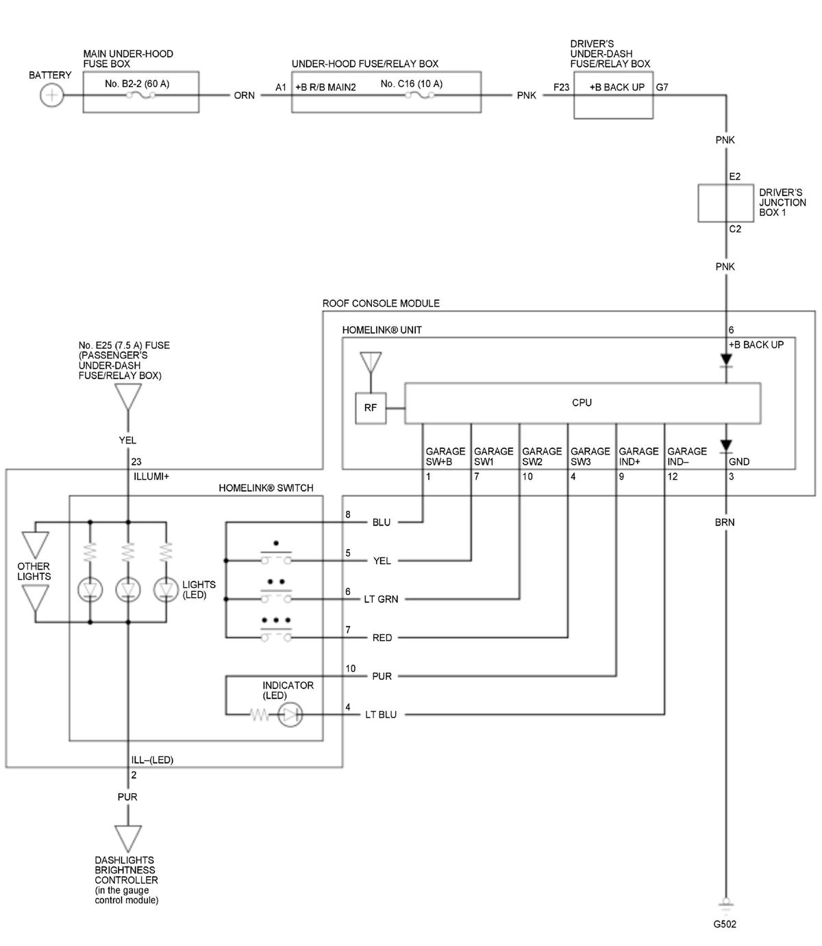
HomeLink Remote Control System Circuit Diagram (2017 2018 2019 2020)

GHH350926Courtesy of HONDA, U.S.A., INC.