LEMON Manuals: Even more car manuals for everyone
Home >> Acura >> 2017 >> RDX AWD >> Repair and Diagnosis >> External Pages >> Different car >> Section 7 (Security System Keyless Entry System - Testing & Troubleshooting) >> Circuit Diagram >> Keyless Access System Circuit Diagram (2016-17)

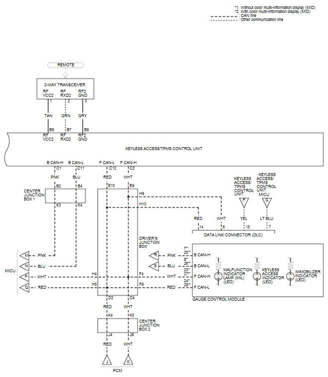
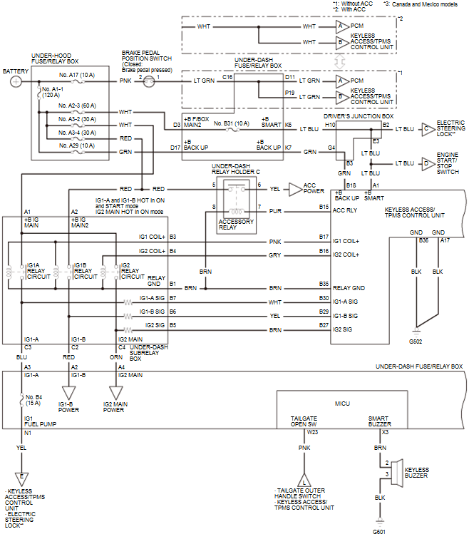
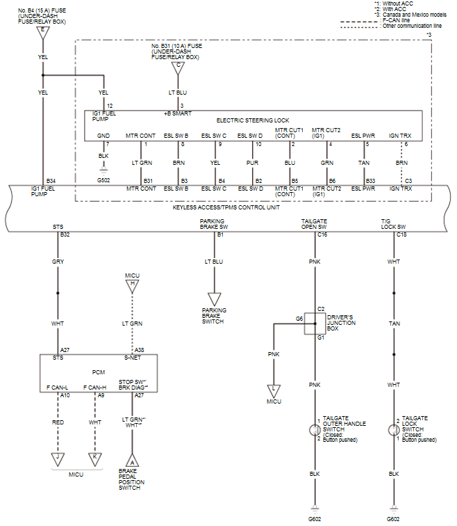
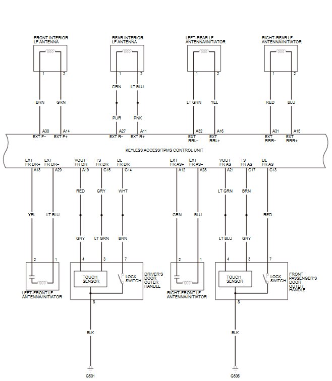
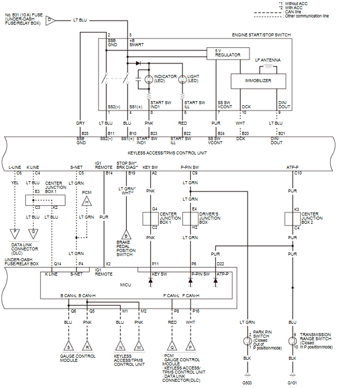
Keyless Access System Circuit Diagram (2016-17)

WARNING: This page is about a different car, the 2016 Acura RDX, 2015 Acura RDX, 2014 Acura RDX, and 2013 Acura RDX. However, it is still accessible from the selected car via links, so may be relevant.
GHH77417Courtesy of HONDA, U.S.A., INC.
GHH77418Courtesy of HONDA, U.S.A., INC.
GHH77419Courtesy of HONDA, U.S.A., INC.
GHH77420Courtesy of HONDA, U.S.A., INC.
GHH77421Courtesy of HONDA, U.S.A., INC.