LEMON Manuals: Even more car manuals for everyone
Home >> Acura >> 2017 >> ILX >> Repair and Diagnosis >> Engine Performance >> Engine Control Systems >> Engine Control System / Engine Mechanical - Service, Testing And Troubleshooting (Except Hybrid) >> System Description >> VTEC (R20A5) (2013 2014 2015)

VTEC (R20A5) (2013 2014 2015)

The VTEC improves fuel efficiency and reduces exhaust emissions at all levels of engine speed, vehicle speed, and engine load. The VTEC mechanism changes the valve lift and timing by using more than one cam profile.

This system delays the closing timing of one of the intake valves during a low-load drive (cruising under given conditions, and also makes the throttle valve opening larger than normal to reduce the intake air resistance (pumping loss).In this system, the DBW control enlarges the throttle valve opening to allow more intake air. The VTEC mechanism closes one of the intake valves at the start of compression, and returns the intake air to the intake port to control the intake volume. Therefore, during a low-load drive, the amount of intake air is controlled without reducing the throttle valve opening, thereby lowering the pumping loss and improving the fuel efficiency.

GHH468830Courtesy of HONDA, U.S.A., INC.

Construction 

VTEC is composed of the VTEC camshaft, the VTEC rocker arm, and the rocker arm oil control valve.

VTEC Camshaft 

The cam shaft is structured so that each cylinder has two short duration cam lobes and a wide duration cam lobe.

GHH468831Courtesy of HONDA, U.S.A., INC.

VTEC Rocker Arm 

The rocker arm is divided to the primary rocker arm, the secondary rocker arms A and B. The inner side of the intake secondary rocker arms A and B have two VTEC switching piston and a return spring.

GHH468832Courtesy of HONDA, U.S.A., INC.

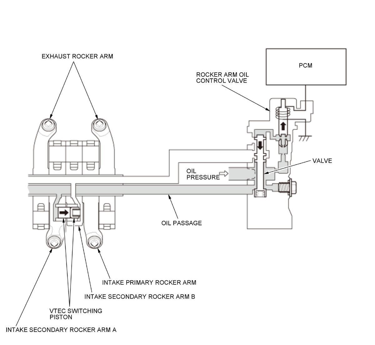
Rocker Arm Oil Control Valve 

The rocker arm oil control valve are integrated with the cylinder head.The rocker arm oil control solenoid turns ON or OFF the solenoid depending on a signal from the PCM to switch the hydraulic pressure applied to the valve to subject the valve to an ON/OFF control. By switching the ON/OFF of the valve, the hydraulic pressure applied to the VTEC switching piston in the rocker arm is controlled.

GHH468833Courtesy of HONDA, U.S.A., INC.

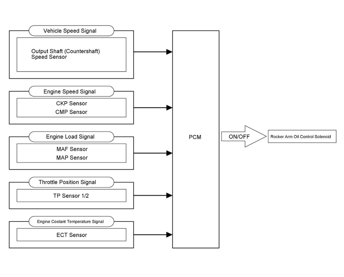
Control 

Based on the vehicle speed signal, engine speed signal, engine load signal, throttle aperture signal, and engine coolant signal sent from various sensors, the PCM controls the ON/OFF of the rocker arm oil control solenoid.

GHH468834Courtesy of HONDA, U.S.A., INC.

Operation 

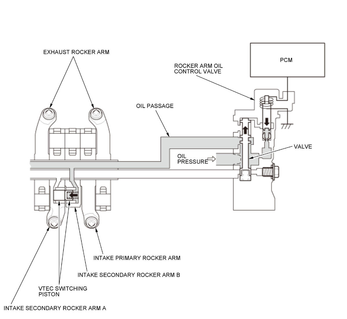
At Engine Start, and High Load 

At engine start, and high load, the rocker arm oil control solenoid is turned off by the PCM. Oil pressure from the rocker arm oil control valve does not enter the intake rocker shaft. The intake primary rocker arm and the intake secondary rocker arm A are driven by the short duration cams.

Rocker Arm Oil Control Solenoid OFF 

GHH468835Courtesy of HONDA, U.S.A., INC.

At Cruise 

At cruise, the rocker arm oil control solenoid is turned on by the PCM. Oil pressure from the rocker arm oil control solenoid enters into the intake primary rocker arm via the intake rocker shaft, and it moves the VTEC switching piston in the rocker arm. This causes the VTEC switching piston to slide into the intake secondary rocker arm B, locking the intake secondary arms A and B together. The intake secondary arms A and B are driven by the long duration cam, and the primary rocker arm is driven by the short duration cam.

Rocker Arm Oil Control Solenoid ON 

GHH468836Courtesy of HONDA, U.S.A., INC.