LEMON Manuals: Even more car manuals for everyone
Home >> Acura >> 2014 >> TSX V6 >> Repair and Diagnosis >> External Pages >> Different variant/trim >> Section 78 (Driver Position Memory System (DPMS) (4-CYL)) >> Circuit Diagram

Circuit Diagram

WARNING: This page is about a different variant/trim than selected.
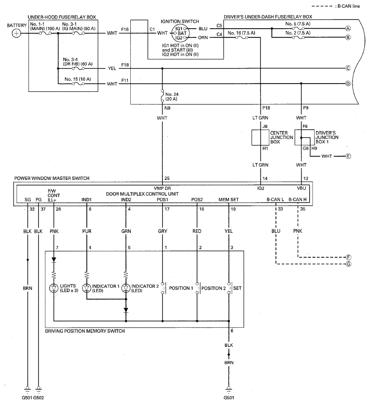
Fig 1: Drivers Position Memory Switch Circuit Diagram (1 Of 4)
G07771030Courtesy of AMERICAN HONDA MOTOR CO., INC.
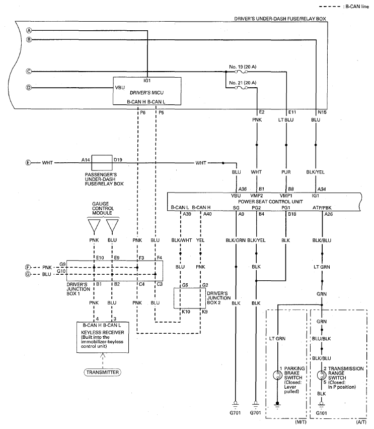
Fig 2: Drivers Position Memory Switch Circuit Diagram (2 Of 4)
G07771031Courtesy of AMERICAN HONDA MOTOR CO., INC.
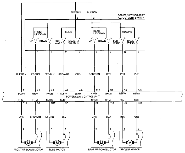
Fig 3: Drivers Position Memory Switch Circuit Diagram (3 Of 4)
G07771032Courtesy of AMERICAN HONDA MOTOR CO., INC.
Fig 4: Drivers Position Memory Switch Circuit Diagram (4 Of 4)
G07771033Courtesy of AMERICAN HONDA MOTOR CO., INC.