LEMON Manuals: Even more car manuals for everyone
Home >> Acura >> 2014 >> TSX V6 >> Repair and Diagnosis >> Body & Frame >> Seats >> Driver Position Memory System (DPMS) (V6) >> Circuit Diagram

Circuit Diagram

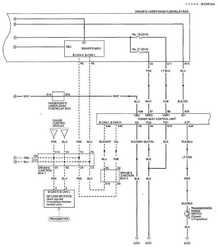
Fig 1: Driver Position Memory System - Circuit Diagram (1 Of 4)
G06946889Courtesy of AMERICAN HONDA MOTOR CO., INC.
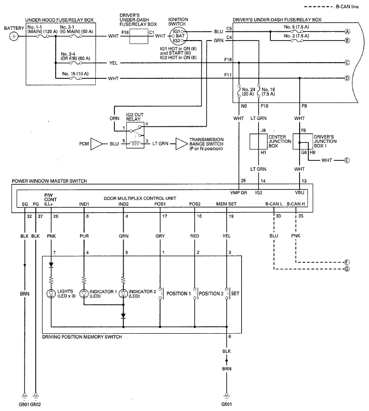
Fig 2: Driver Position Memory System - Circuit Diagram (2 Of 4)
G06946890Courtesy of AMERICAN HONDA MOTOR CO., INC.
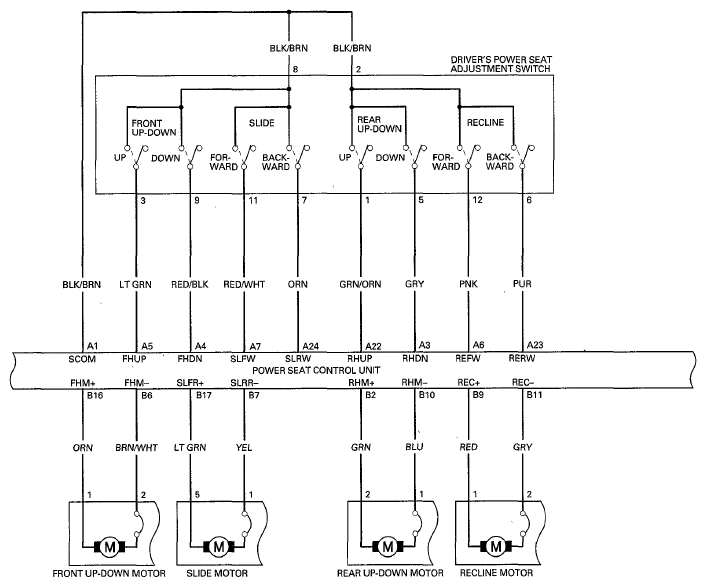
Fig 3: Driver Position Memory System - Circuit Diagram (3 Of 4)
G06946891Courtesy of AMERICAN HONDA MOTOR CO., INC.
Fig 4: Driver Position Memory System - Circuit Diagram (4 Of 4)
G06946892Courtesy of AMERICAN HONDA MOTOR CO., INC.