LEMON Manuals: Even more car manuals for everyone
Home >> Acura >> 2013 >> ZDX >> Repair and Diagnosis >> Engine Performance >> System >> Advanced Diagnostics >> DTC P0970: Problem in A/T Clutch Pressure Control Solenoid Valve C Circuit >> Notes

DTC P0970: Problem in A/T Clutch Pressure Control Solenoid Valve C Circuit: Notes

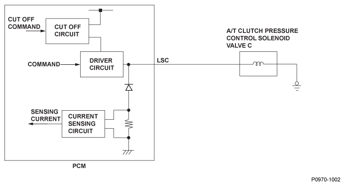
Fig 1: A/T Clutch Pressure Control Solenoid Valve C - Circuit Diagram
G06562859Courtesy of AMERICAN HONDA MOTOR CO., INC.
Fig 2: Failure Area Graph
G06562852Courtesy of AMERICAN HONDA MOTOR CO., INC.