LEMON Manuals: Even more car manuals for everyone
Home >> Acura >> 2013 >> TL Base >> Repair and Diagnosis >> Engine Performance >> System >> Advanced Diagnostics -- TL >> DTC P0506: Idle Control System RPM Lower Than Expected >> Notes

DTC P0506: Idle Control System RPM Lower Than Expected: Notes

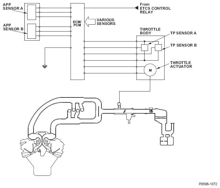
Fig 1: Overview Of Idle Control System
G08582493Courtesy of AMERICAN HONDA MOTOR CO., INC.
Fig 2: Idle Control System Characteristics Curve (Normal And Failure)
G08582494Courtesy of AMERICAN HONDA MOTOR CO., INC.