LEMON Manuals: Even more car manuals for everyone
Home >> Acura >> 2012 >> ZDX >> Repair and Diagnosis >> Engine Performance >> System >> Advanced Diagnostics >> DTC P0627: Fuel Pump Control Module System Malfunction >> Notes

DTC P0627: Fuel Pump Control Module System Malfunction: Notes

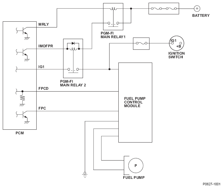
Fig 1: Fuel Pump Control Module System Diagram
G06616930Courtesy of AMERICAN HONDA MOTOR CO., INC.