LEMON Manuals: Even more car manuals for everyone
Home >> Acura >> 2012 >> ZDX >> Repair and Diagnosis >> Engine Performance >> System >> Advanced Diagnostics >> DTC P0506: Idle Control System RPM Lower Than Expected >> Notes

DTC P0506: Idle Control System RPM Lower Than Expected: Notes

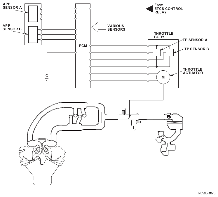
Fig 1: Idle Control System Diagram
G06616917Courtesy of AMERICAN HONDA MOTOR CO., INC.
Fig 2: Idle Speed Graph During Normal Operation And System Failure
G04836268Courtesy of AMERICAN HONDA MOTOR CO., INC.