LEMON Manuals: Even more car manuals for everyone
Home >> Acura >> 2012 >> ZDX >> Repair and Diagnosis >> Body & Frame >> Seats >> Driver Position Memory System (DPMS) >> Circuit Diagram - Power Tilt/Telescopic Steering

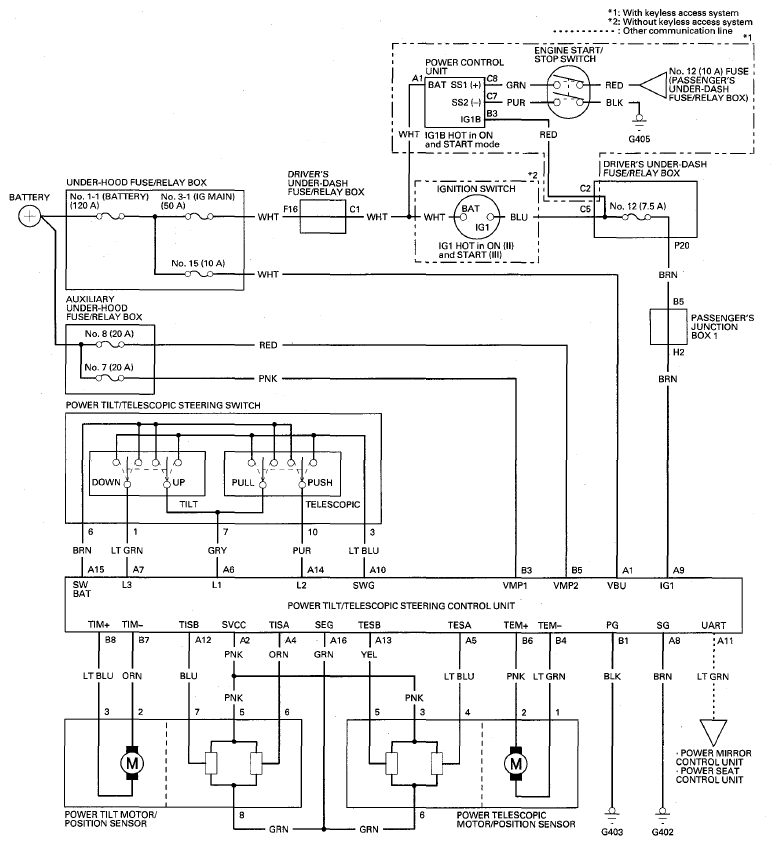
Circuit Diagram - Power Tilt/Telescopic Steering

Fig 1: Power Tilt/Telescopic Steering Circuit Diagram
G08077016Courtesy of AMERICAN HONDA MOTOR CO., INC.