LEMON Manuals: Even more car manuals for everyone
Home >> Acura >> 2012 >> RL >> Repair and Diagnosis >> Engine Performance >> System >> Fuel And Emissions Systems >> System Description >> PCM Inputs and Outputs at PCM Connector C (◦) (49P) >> PCM Electrical Connections

PCM Electrical Connections

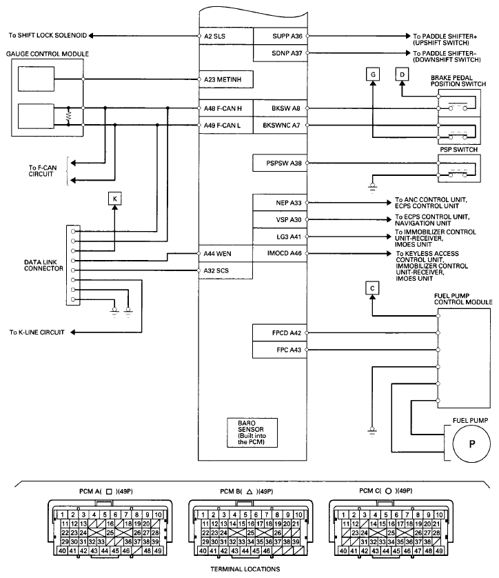
Fig 1: Identifying PCM Electrical Connections (1 Of 6)
G07361789Courtesy of AMERICAN HONDA MOTOR CO., INC.
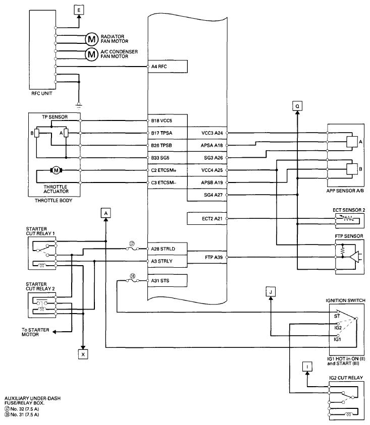
Fig 2: Identifying PCM Electrical Connections (2 Of 6)
G07361790Courtesy of AMERICAN HONDA MOTOR CO., INC.
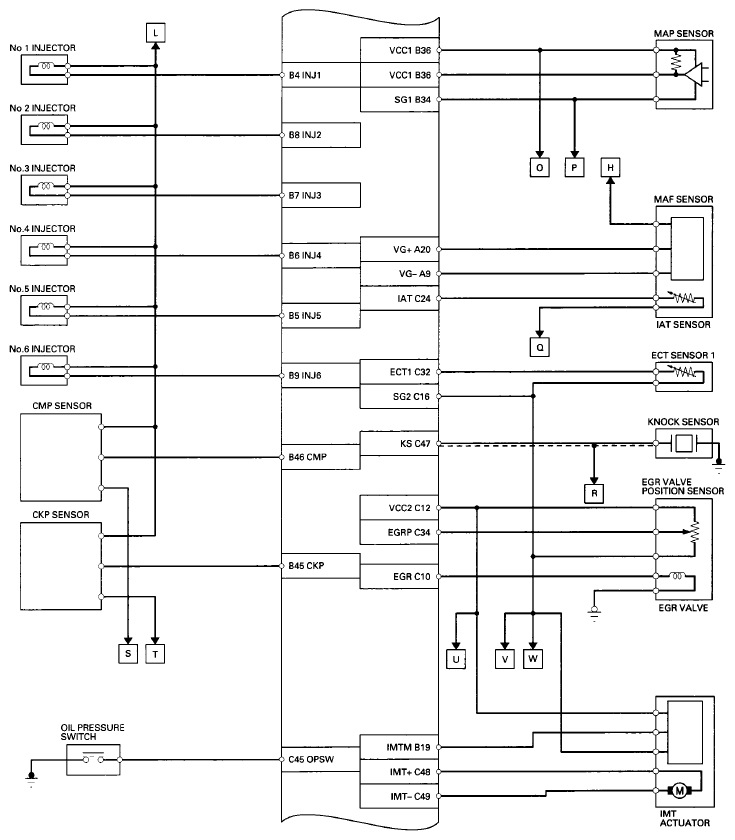
Fig 3: Identifying PCM Electrical Connections (3 Of 6)
G07361791Courtesy of AMERICAN HONDA MOTOR CO., INC.
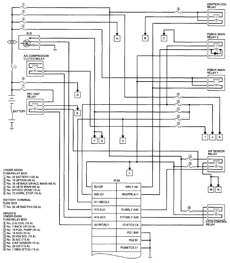
Fig 4: Identifying PCM Electrical Connections (4 Of 6)
G07361792Courtesy of AMERICAN HONDA MOTOR CO., INC.
Fig 5: Identifying PCM Electrical Connections (5 Of 6)
G07361793Courtesy of AMERICAN HONDA MOTOR CO., INC.
Fig 6: Identifying PCM Electrical Connections (6 Of 6)
G07361794Courtesy of AMERICAN HONDA MOTOR CO., INC.