LEMON Manuals: Even more car manuals for everyone
Home >> Acura >> 2012 >> RL >> Repair and Diagnosis >> Engine Performance >> System >> Fuel And Emissions Systems >> System Description >> PCM Inputs and Outputs at PCM Connector C (◦) (49P) >> PCM Circuit Diagram

PCM Circuit Diagram

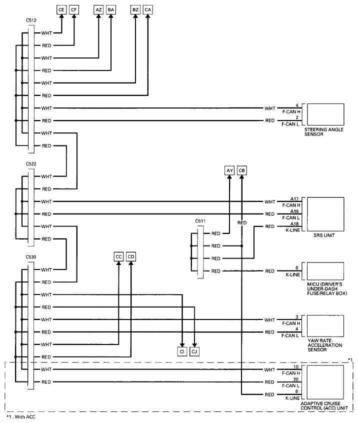
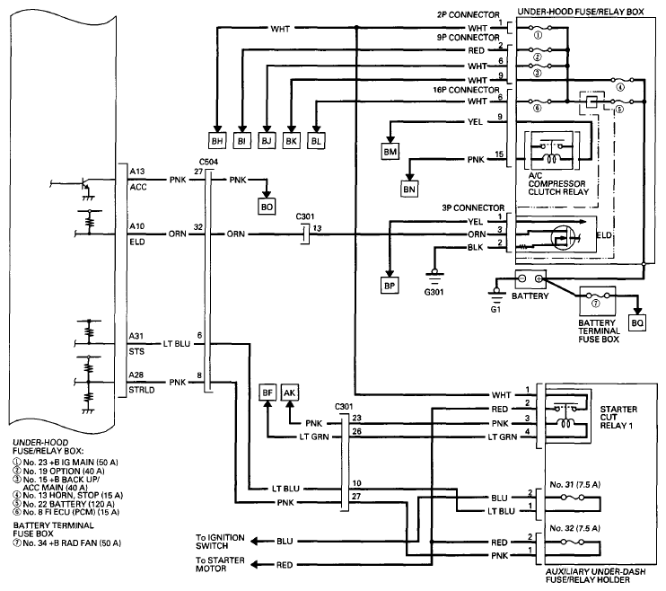
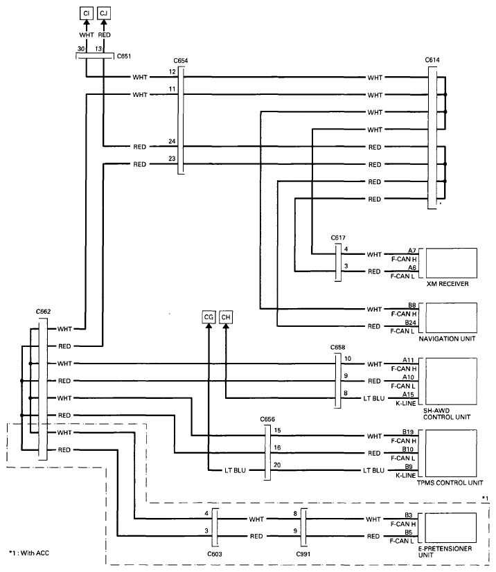
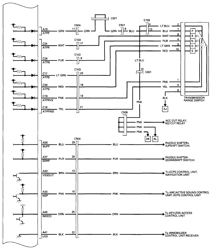
Fig 1: PCM Circuit Diagram (1 Of 18)
G07361795Courtesy of AMERICAN HONDA MOTOR CO., INC.
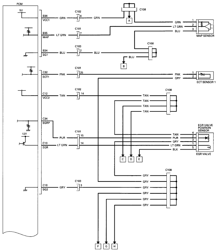
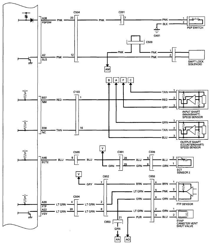
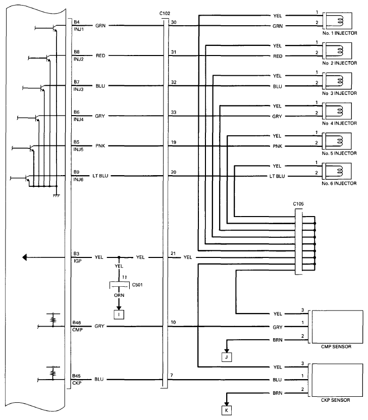
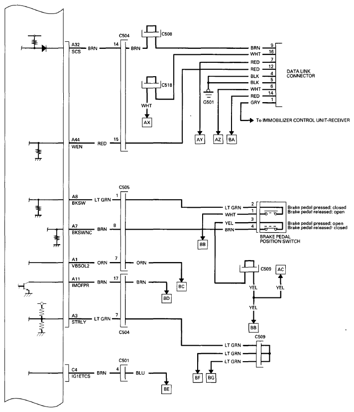
Fig 2: PCM Circuit Diagram (2 Of 18)
G07361796Courtesy of AMERICAN HONDA MOTOR CO., INC.
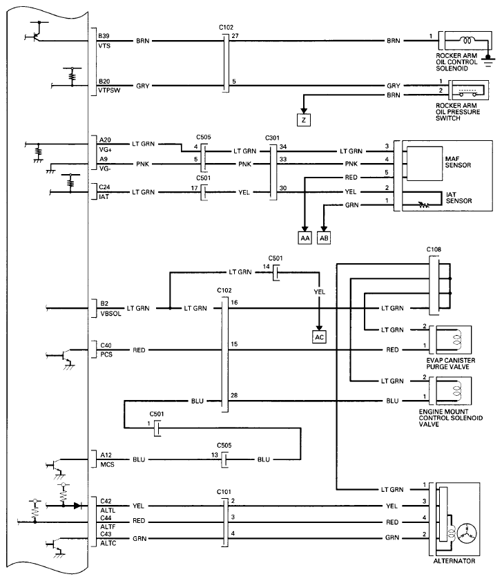
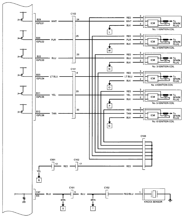
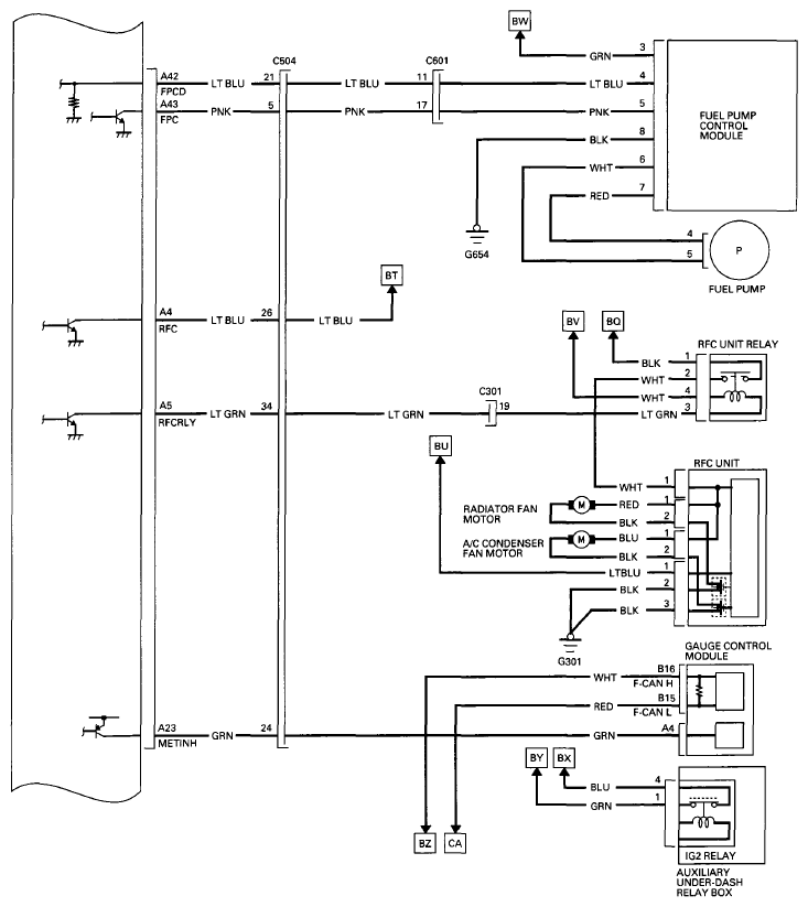
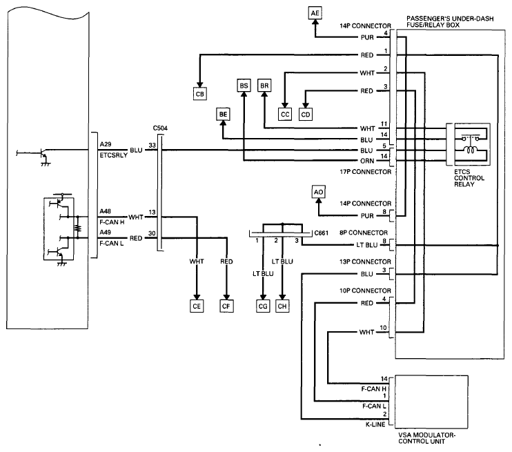
Fig 3: PCM Circuit Diagram (3 Of 18)
G07361797Courtesy of AMERICAN HONDA MOTOR CO., INC.
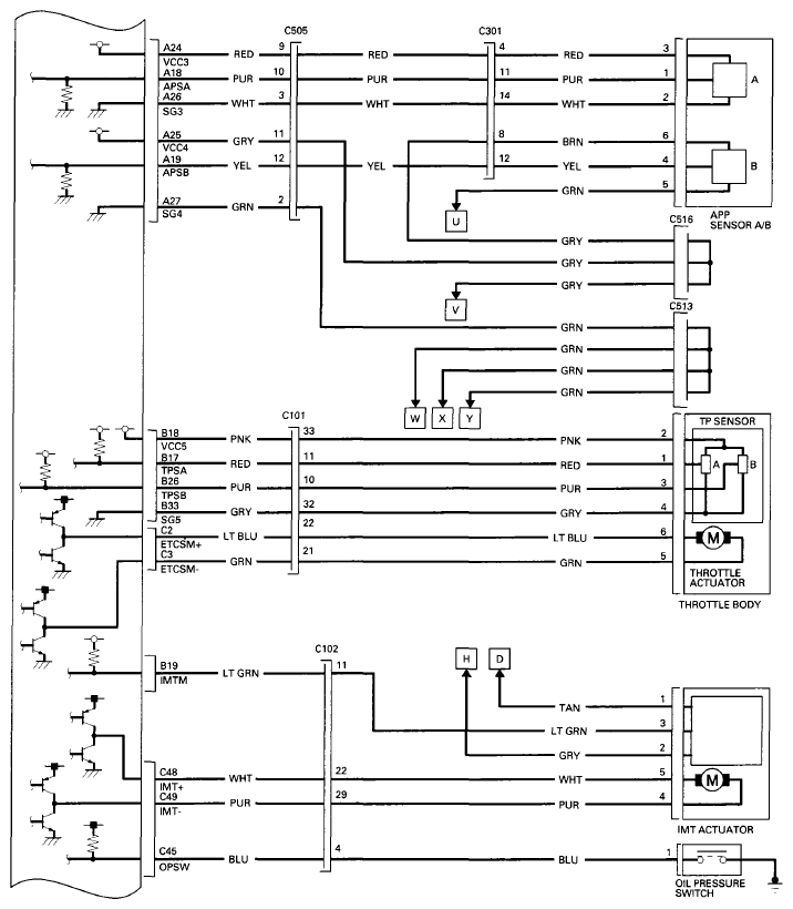
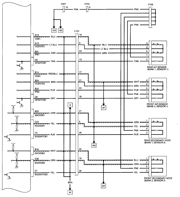
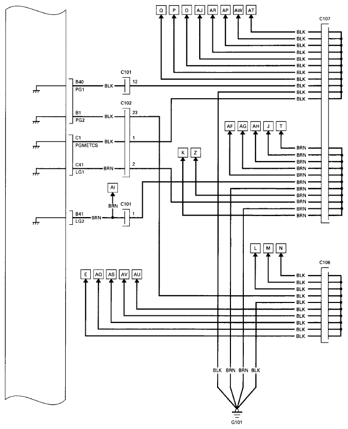
Fig 4: PCM Circuit Diagram (4 Of 18)
G07361798Courtesy of AMERICAN HONDA MOTOR CO., INC.
Fig 5: PCM Circuit Diagram (5 Of 18)
G07361799Courtesy of AMERICAN HONDA MOTOR CO., INC.
Fig 6: PCM Circuit Diagram (6 Of 18)
G07361800Courtesy of AMERICAN HONDA MOTOR CO., INC.
Fig 7: PCM Circuit Diagram (7 Of 18)
G07361801Courtesy of AMERICAN HONDA MOTOR CO., INC.
Fig 8: PCM Circuit Diagram (8 Of 18)
G07361802Courtesy of AMERICAN HONDA MOTOR CO., INC.
Fig 9: PCM Circuit Diagram (9 Of 18)
G07361803Courtesy of AMERICAN HONDA MOTOR CO., INC.
Fig 10: PCM Circuit Diagram (10 Of 18)
G07361804Courtesy of AMERICAN HONDA MOTOR CO., INC.
Fig 11: PCM Circuit Diagram (11 Of 18)
G07361805Courtesy of AMERICAN HONDA MOTOR CO., INC.
Fig 12: PCM Circuit Diagram (12 Of 18)
G07361806Courtesy of AMERICAN HONDA MOTOR CO., INC.
Fig 13: PCM Circuit Diagram (13 Of 18)
G07361807Courtesy of AMERICAN HONDA MOTOR CO., INC.
Fig 14: PCM Circuit Diagram (14 Of 18)
G07361808Courtesy of AMERICAN HONDA MOTOR CO., INC.
Fig 15: PCM Circuit Diagram (15 Of 18)
G07361809Courtesy of AMERICAN HONDA MOTOR CO., INC.
Fig 16: PCM Circuit Diagram (16 Of 18)
G07361810Courtesy of AMERICAN HONDA MOTOR CO., INC.
Fig 17: PCM Circuit Diagram (17 Of 18)
G07361811Courtesy of AMERICAN HONDA MOTOR CO., INC.
Fig 18: PCM Circuit Diagram (18 Of 18)
G07361812Courtesy of AMERICAN HONDA MOTOR CO., INC.