LEMON Manuals: Even more car manuals for everyone
Home >> Acura >> 2012 >> RL >> Repair and Diagnosis >> Body & Frame >> Windows >> Power Windows >> Circuit Diagram

Circuit Diagram

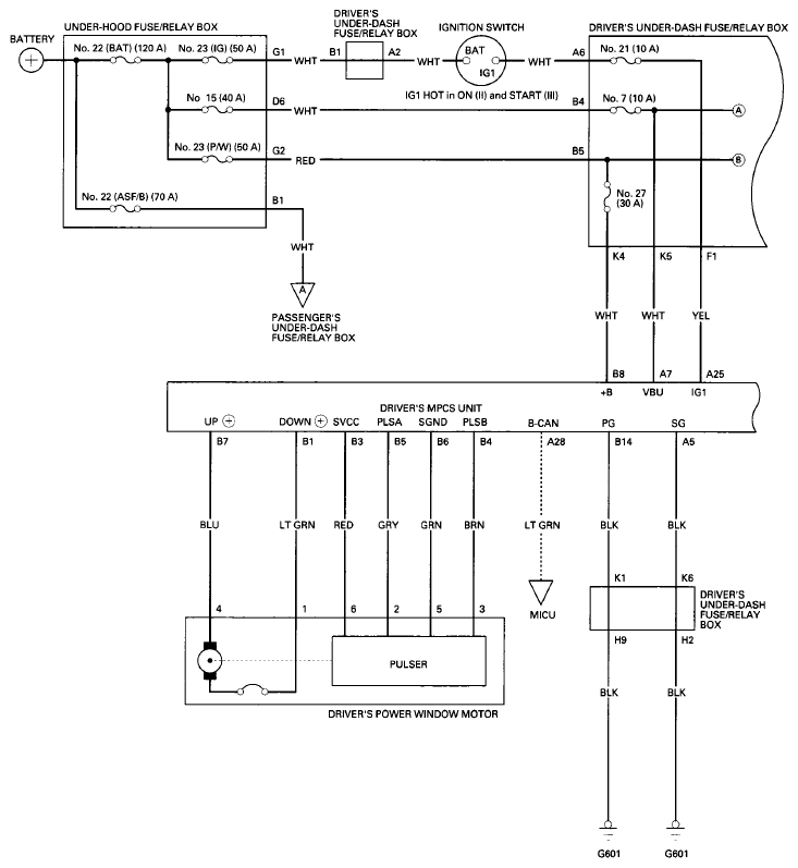
Fig 1: Power Windows Circuit Diagram (1 Of 4)
G07363563Courtesy of AMERICAN HONDA MOTOR CO., INC.
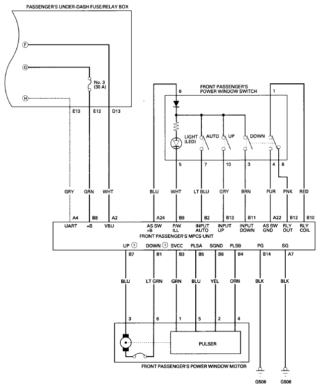
Fig 2: Power Windows Circuit Diagram (2 Of 4)
G07363564Courtesy of AMERICAN HONDA MOTOR CO., INC.
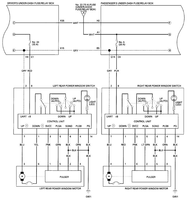
Fig 3: Power Windows Circuit Diagram (3 Of 4)
G07363565Courtesy of AMERICAN HONDA MOTOR CO., INC.
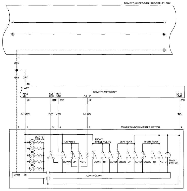
Fig 4: Power Windows Circuit Diagram (4 Of 4)
G07363566Courtesy of AMERICAN HONDA MOTOR CO., INC.