LEMON Manuals: Even more car manuals for everyone
Home >> Acura >> 2012 >> RL >> Repair and Diagnosis >> Body & Frame >> Seats >> Driver Position Memory System (DPMS) >> Circuit Diagram - Power Mirror

Circuit Diagram - Power Mirror

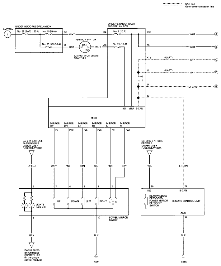
Fig 1: Power Mirror Circuit Diagram (1 Of 2)
G07363624Courtesy of AMERICAN HONDA MOTOR CO., INC.
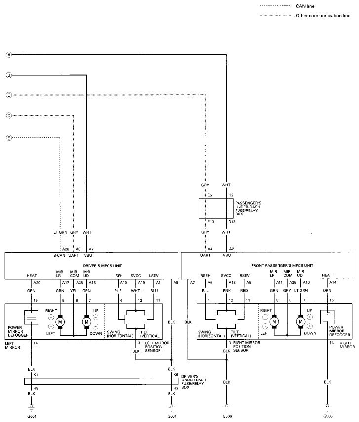
Fig 2: Power Mirror Circuit Diagram (2 Of 2)
G07363625Courtesy of AMERICAN HONDA MOTOR CO., INC.