LEMON Manuals: Even more car manuals for everyone
Home >> Acura >> 2012 >> MDX >> Repair and Diagnosis >> Engine Performance >> System >> Fuel And Emissions Systems >> System Description >> PGM-FI System >> Starter Control System Diagram

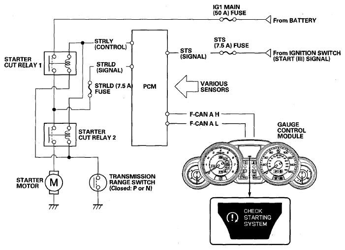
Starter Control System Diagram

The starter control system controls the starter motor.