LEMON Manuals: Even more car manuals for everyone
Home >> Acura >> 2012 >> MDX >> Repair and Diagnosis >> Engine Performance >> System >> Fuel And Emissions Systems >> System Description >> PCM Inputs and Outputs at PCM Connector C (◦) (49P) >> PCM Circuit Diagram

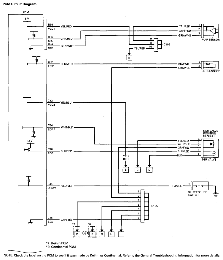
PCM Circuit Diagram

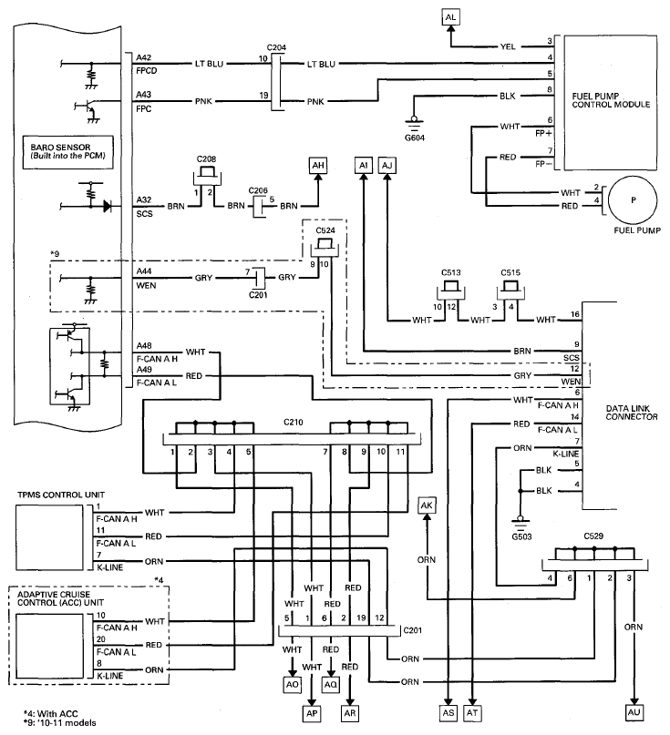
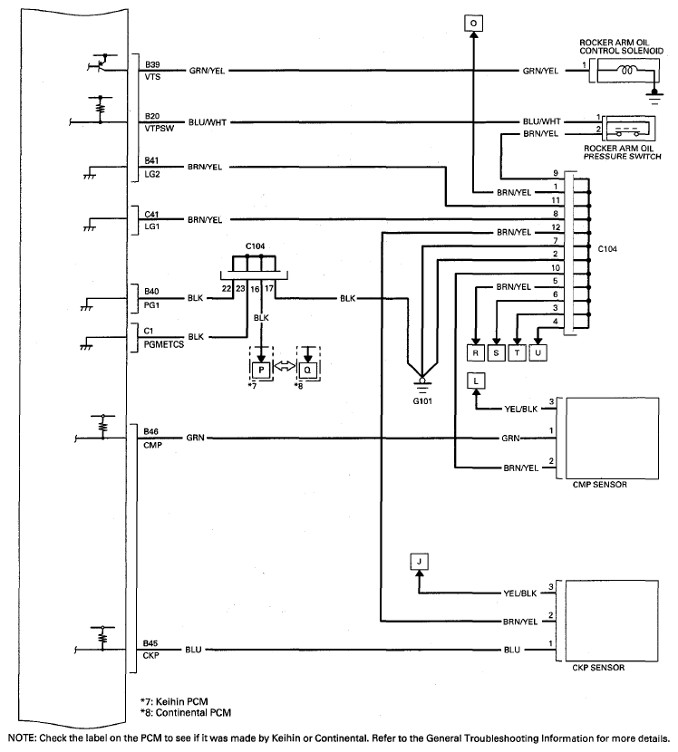
Fig 1: PCM Circuit Diagram (1 Of 14)
G08052446Courtesy of AMERICAN HONDA MOTOR CO., INC.
NOTE: Check the label on the PCM to see if it was made by Keihin or Continental. Refer to the GENERAL TROUBLESHOOTING INFORMATION  for more details.
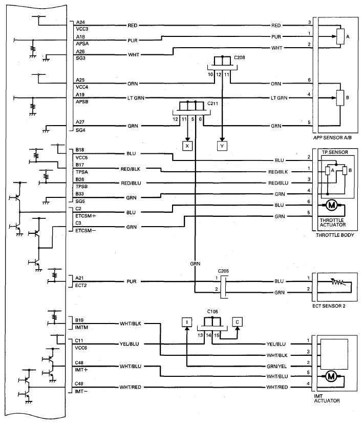
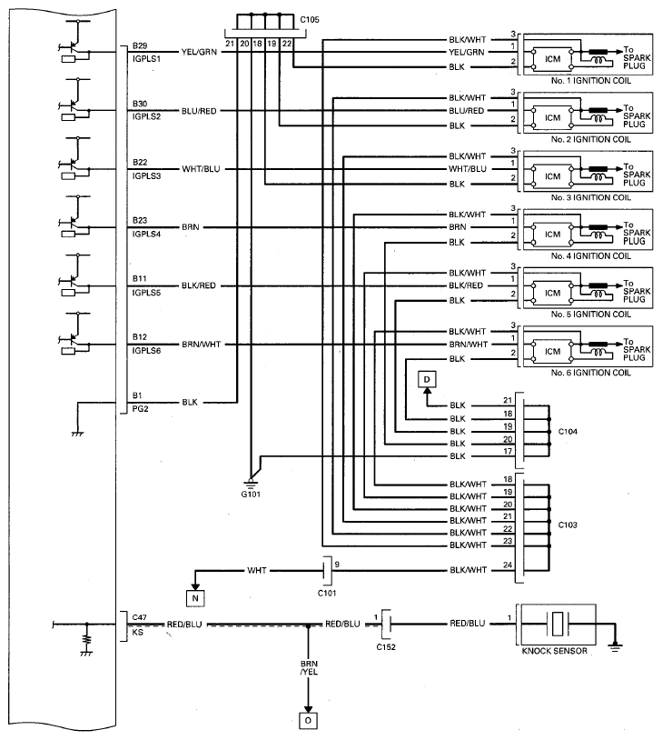
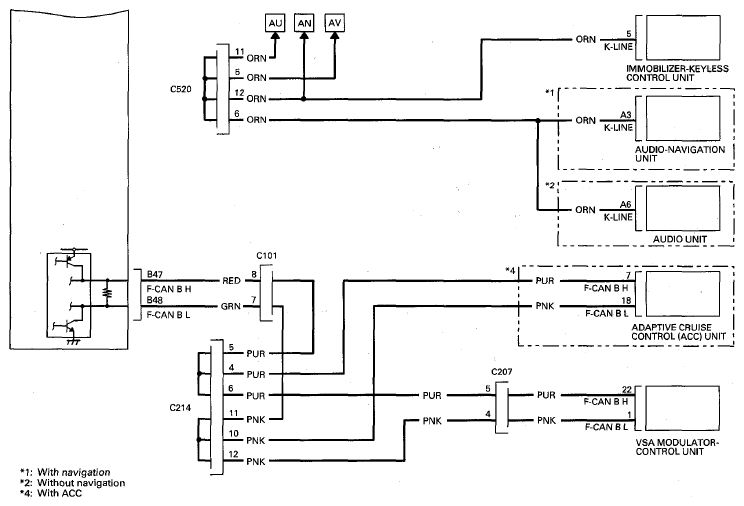
Fig 2: PCM Circuit Diagram (2 Of 14)
G08052447Courtesy of AMERICAN HONDA MOTOR CO., INC.
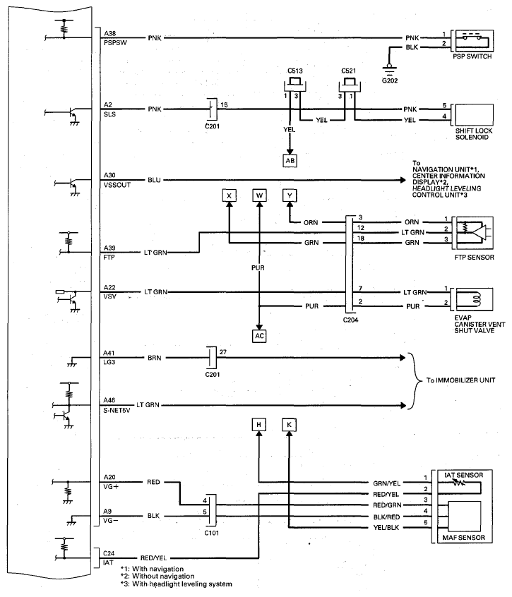
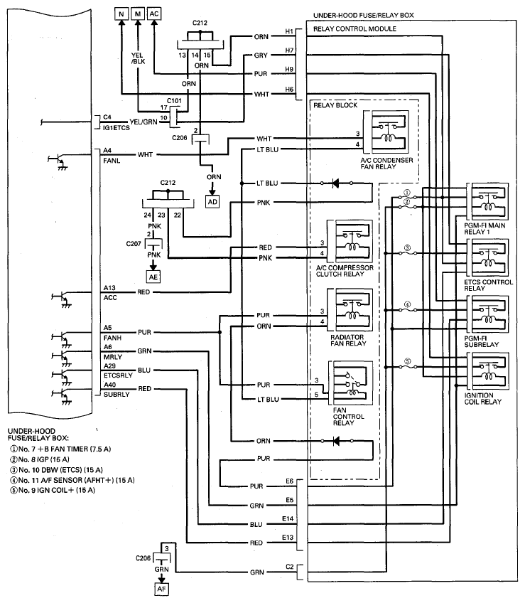
Fig 3: PCM Circuit Diagram (3 Of 14)
G08052449Courtesy of AMERICAN HONDA MOTOR CO., INC.
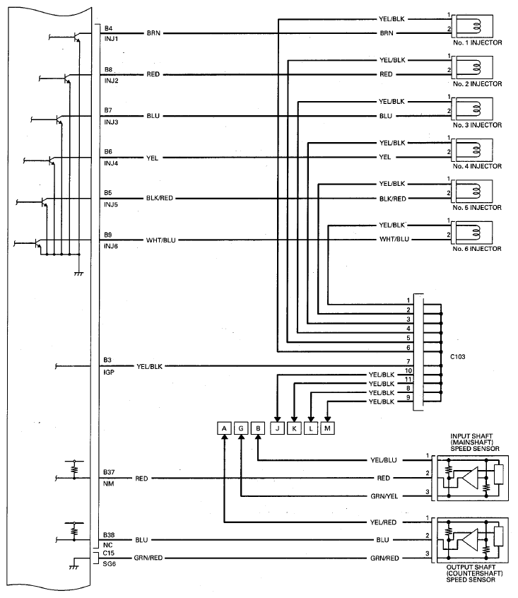
Fig 4: PCM Circuit Diagram (4 Of 14)
G08052450Courtesy of AMERICAN HONDA MOTOR CO., INC.
NOTE: Check the label on the PCM to see if it was made by Keihin or Continental. Refer to the GENERAL TROUBLESHOOTING INFORMATION  for more details.
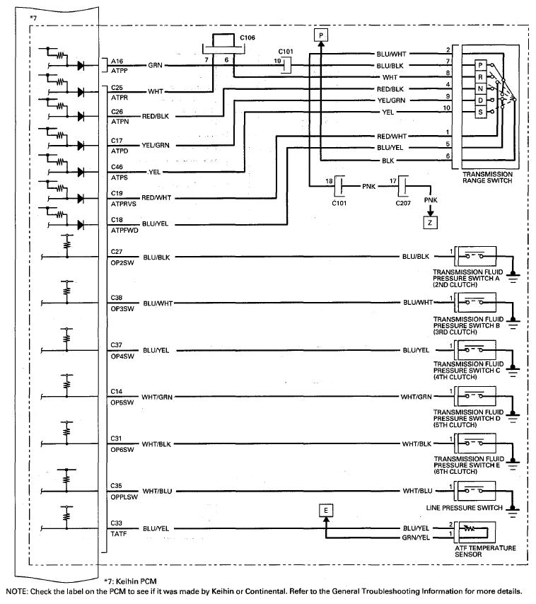
Fig 5: PCM Circuit Diagram (5 Of 14)
G08052451Courtesy of AMERICAN HONDA MOTOR CO., INC.
NOTE: Check the label on the PCM to see if it was made by Keihin or Continental. Refer to the GENERAL TROUBLESHOOTING INFORMATION  for more details.
Fig 6: PCM Circuit Diagram (6 Of 14)
G08052452Courtesy of AMERICAN HONDA MOTOR CO., INC.
Fig 7: PCM Circuit Diagram (7 Of 14)
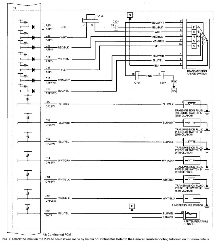
G08052453Courtesy of AMERICAN HONDA MOTOR CO., INC.
NOTE: Check the label on the PCM to see if it was made by Keihin or Continental. Refer to the GENERAL TROUBLESHOOTING INFORMATION  for more details.
Fig 8: PCM Circuit Diagram (8 Of 14)
G08052454Courtesy of AMERICAN HONDA MOTOR CO., INC.
NOTE: Check the label on the PCM to see if it was made by Keihin or Continental. Refer to the GENERAL TROUBLESHOOTING INFORMATION  for more details.
Fig 9: PCM Circuit Diagram (9 Of 14)
G08052455Courtesy of AMERICAN HONDA MOTOR CO., INC.
Fig 10: PCM Circuit Diagram (10 Of 14)
G08052456Courtesy of AMERICAN HONDA MOTOR CO., INC.
Fig 11: PCM Circuit Diagram (11 Of 14)
G08052457Courtesy of AMERICAN HONDA MOTOR CO., INC.
NOTE: Check the label on the PCM to see if it was made by Keihin or Continental. Refer to the GENERAL TROUBLESHOOTING INFORMATION  for more details.
Fig 12: PCM Circuit Diagram (12 Of 14)
G08052458Courtesy of AMERICAN HONDA MOTOR CO., INC.
Fig 13: PCM Circuit Diagram (13 Of 14)
G08052459Courtesy of AMERICAN HONDA MOTOR CO., INC.
Fig 14: PCM Circuit Diagram (14 Of 14)
G08052460Courtesy of AMERICAN HONDA MOTOR CO., INC.