LEMON Manuals: Even more car manuals for everyone
Home >> Acura >> 2012 >> MDX >> Repair and Diagnosis >> Engine Performance >> System >> Advanced Diagnostics >> DTC P0506: Idle Control System RPM Lower than Expected >> Notes

DTC P0506: Idle Control System RPM Lower than Expected: Notes

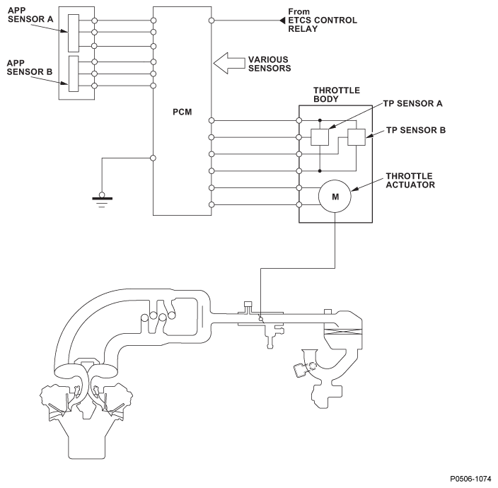
Fig 1: Idle Control System Diagram
G06562750
Fig 2: Idle Control System Characteristics (Normal Operation And System Failure)
G04836268