LEMON Manuals: Even more car manuals for everyone
Home >> Acura >> 2012 >> MDX >> Repair and Diagnosis >> Engine Performance >> System >> Advanced Diagnostics >> DTC P0401: Exhaust Gas Recirculation (EGR) Insufficient Flow >> Notes

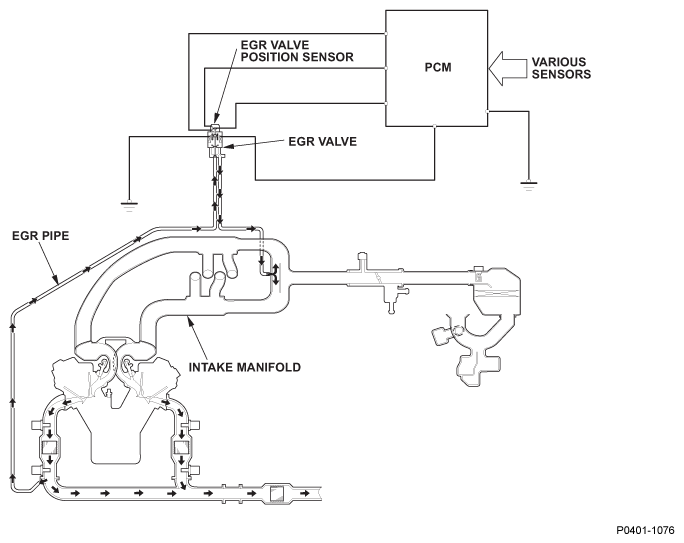
DTC P0401: Exhaust Gas Recirculation (EGR) Insufficient Flow: Notes

Fig 1: Exhaust Gas Recirculation (EGR)
G06562714
Fig 2: Exhaust Gas Recirculation Characteristics (Normal Operation And System Failure)
G06123600