LEMON Manuals: Even more car manuals for everyone
Home >> Acura >> 2012 >> MDX >> Repair and Diagnosis >> Body & Frame >> Seats >> Driver Position Memory System (DPMS) >> Circuit Diagram - Power Seat

Circuit Diagram - Power Seat

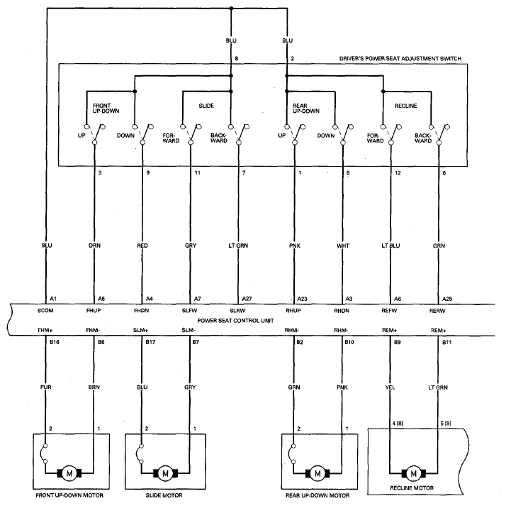
Fig 1: Power Seat - Circuit Diagram (1 Of 4)
G08053874Courtesy of AMERICAN HONDA MOTOR CO., INC.
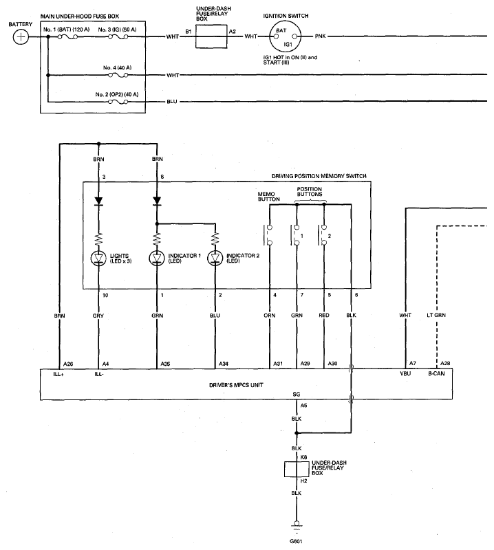
Fig 2: Power Seat - Circuit Diagram (2 Of 4)
G08053875Courtesy of AMERICAN HONDA MOTOR CO., INC.
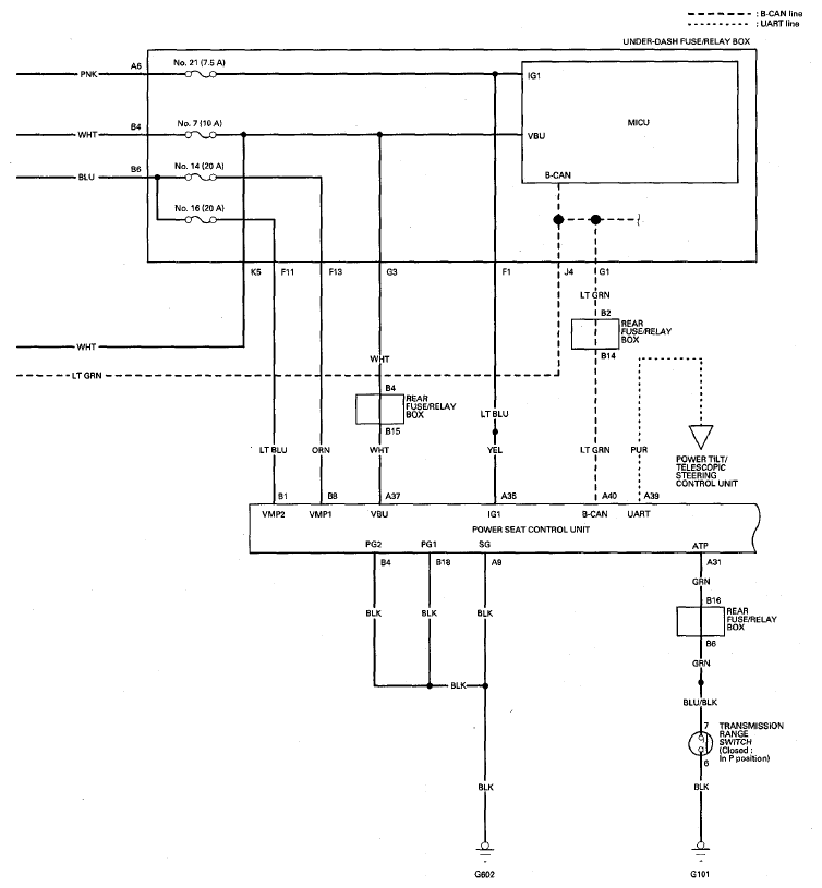
Fig 3: Power Seat - Circuit Diagram (3 Of 4)
G08053876Courtesy of AMERICAN HONDA MOTOR CO., INC.
Fig 4: Power Seat - Circuit Diagram (4 Of 4)
G08053877Courtesy of AMERICAN HONDA MOTOR CO., INC.