LEMON Manuals: Even more car manuals for everyone
Home >> Acura >> 2011 >> RL >> Repair and Diagnosis >> Engine Performance >> System >> Advanced Diagnostics -- RL >> DTC P0506: Idle Control System RPM Lower Than Expected >> Notes

DTC P0506: Idle Control System RPM Lower Than Expected: Notes

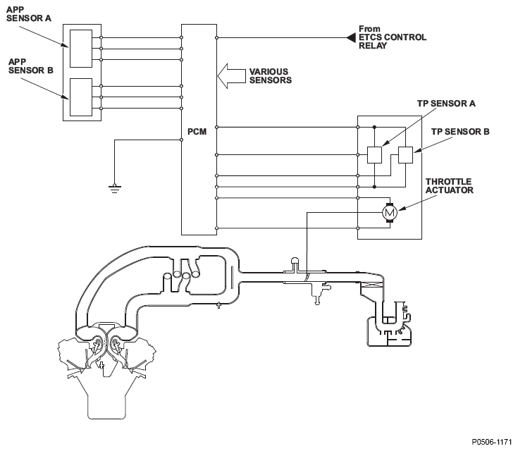
Fig 1: Throttle Actuator Motor - Circuit Diagram (Idle Control System)
G08547067
Fig 2: Idle Speed Versus Time Graph (Normal Operation And System Failure)
G04836268