LEMON Manuals: Even more car manuals for everyone
Home >> Acura >> 2011 >> RL >> Repair and Diagnosis >> Body & Frame >> Seats >> Driver Position Memory System (DPMS) >> Circuit Diagram - Power Seat

Circuit Diagram - Power Seat

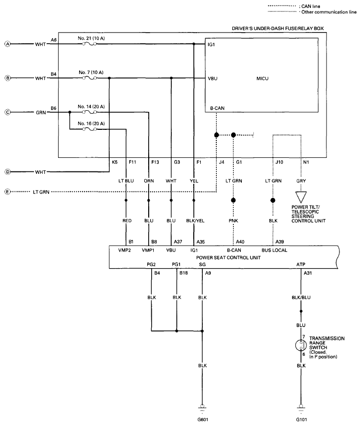
Fig 1: Power Seat Circuit Diagram (1 Of 4)
G07363620Courtesy of AMERICAN HONDA MOTOR CO., INC.
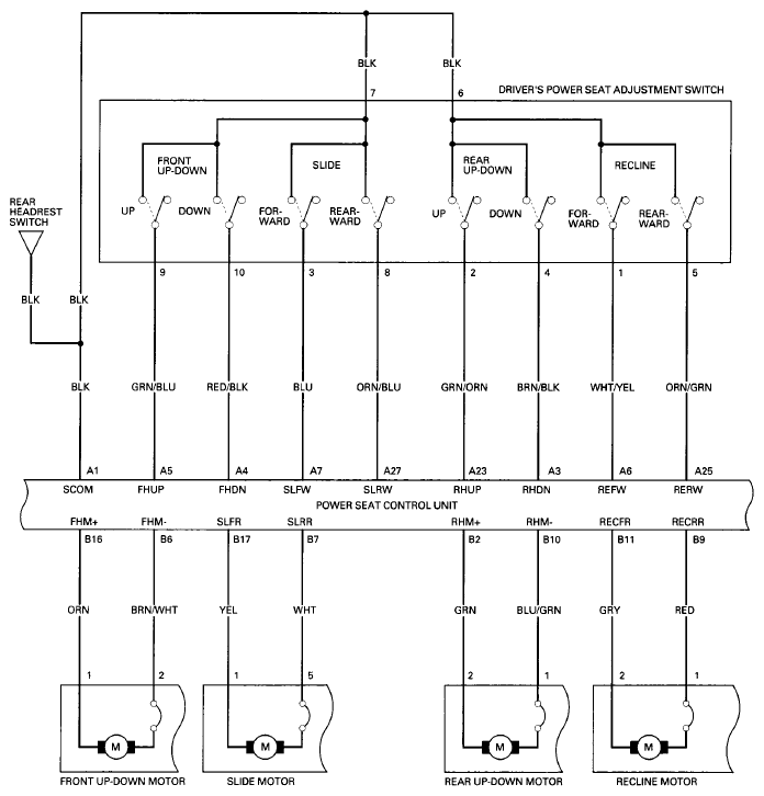
Fig 2: Power Seat Circuit Diagram (2 Of 4)
G07363621Courtesy of AMERICAN HONDA MOTOR CO., INC.
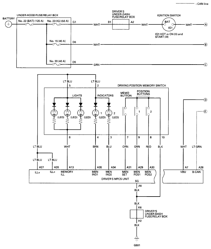
Fig 3: Power Seat Circuit Diagram (3 Of 4)
G07363622Courtesy of AMERICAN HONDA MOTOR CO., INC.
Fig 4: Power Seat Circuit Diagram (4 Of 4)
G07363623Courtesy of AMERICAN HONDA MOTOR CO., INC.