LEMON Manuals: Even more car manuals for everyone
Home >> Acura >> 2010 >> MDX >> Repair and Diagnosis >> Engine Performance >> System >> Advanced Diagnostics >> DTC P0685: Powertrain Control Module (PCM) Power Control Circuit/Internal Circuit Malfunction >> Notes

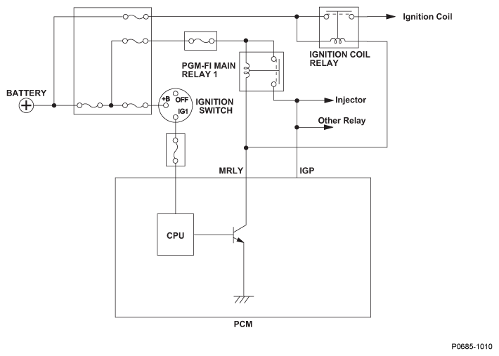
DTC P0685: Powertrain Control Module (PCM) Power Control Circuit/Internal Circuit Malfunction: Notes

Fig 1: Powertrain Control Module (PCM) Power Control Circuit Diagram
G06562769Courtesy of AMERICAN HONDA MOTOR CO., INC.