LEMON Manuals: Even more car manuals for everyone
Home >> Acura >> 2009 >> TSX Standard >> Repair and Diagnosis >> Engine Performance >> System >> Advanced Diagnostics >> DTC P2118: Throttle Actuator Current Range/Performance Problem >> Notes

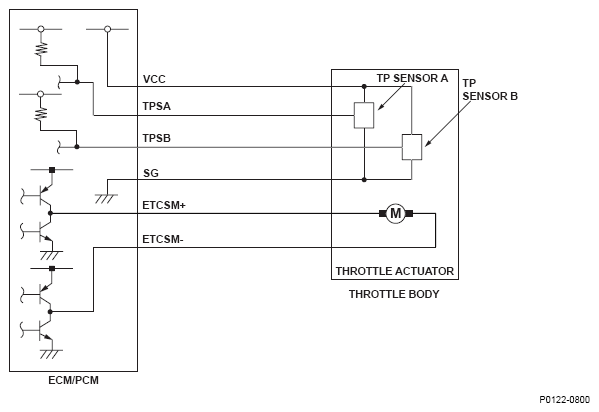
DTC P2118: Throttle Actuator Current Range/Performance Problem: Notes

Fig 1: Throttle Actuator Current Range/Performance Problem - Circuit Diagram
G06123880Courtesy of AMERICAN HONDA MOTOR CO., INC.