LEMON Manuals: Even more car manuals for everyone
Home >> Acura >> 2009 >> TL Base >> Repair and Diagnosis >> Engine Performance >> System >> PGM-FI System >> ECM/PCM Replacement

ECM/PCM Replacement

Special Tools Required 

Any one of the above updating tools can be used.

  1. Connect HDS to the data link connector (DLC) (A) located under the driver's side of the dashboard.
    Fig 1: Identifying Data Link Connector Under Driver's Side Of Dashboard
    G06679750Courtesy of AMERICAN HONDA MOTOR CO., INC.
  2. Turn the ignition switch to ON (II), or press the engine start/stop button to select the ON mode.
  3. Make sure the HDS communicates with the ECM/PCM and other vehicle systems. If it doesn't, go to the DLC CIRCUIT TROUBLESHOOTING  . If you are returning from the DLC circuit troubleshooting, skip steps 4 through  9,  18 through  23, and  26 through  28, and do this after replacing the ECM/PCM:
  4. Select the PGM-FI system with the HDS.
  5. Select the INSPECTION MENU with the HDS.
  6. Select the ETCS TEST, then select the TP POSITION CHECK, and follow the screen prompts.
    NOTE: If the TP POSITION CHECK indicates FAILED, continue with this procedure.
  7. Select the REPLACE PCM MENU, then select READ DATA, and follow the screen prompts.
    NOTE:
    • Doing this step copies (READS) the engine oil life data from the original ECM/PCM so you can later download (WRITES) it into the new ECM/PCM.
    • If READ DATA indicates FAILED, continue with this procedure.
  8. A/T: Select the A/T system with the HDS.
  9. A/T: Select the REPLACE TCM/PCM MENU, then select READ DATA, and follow the screen prompts.
    NOTE:
    • Doing this step copies (READS) the ATF life data from the original PCM so you can later download (WRITES) it into the new PCM.
    • If READ DATA indicates FAILED, continue with this procedure.
  10. Turn the ignition switch to LOCK (0), or press the engine start/stop button to select the OFF mode.
  11. Jump the SCS line with the HDS.
  12. Canada model: If equipped, remove the ECM/PCM connector guard (A).
    Fig 2: Identifying ECM/PCM Connector Guard
    G06679751Courtesy of AMERICAN HONDA MOTOR CO., INC.
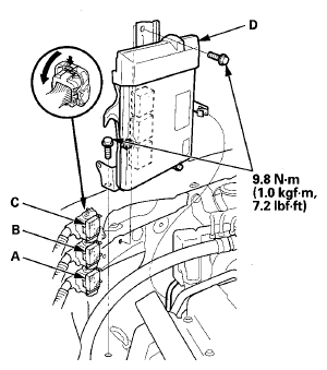
  13. Disconnect ECM/PCM connectors A, B, and C, then remove the ECM/PCM assembly (D).
    NOTE: ECM/PCM connectors A, B, and C have symbols (A=□, B=Δ, C=◦) embossed on them for identification.
    Fig 3: Identifying ECM/PCM Assembly And Connectors
    G06679752Courtesy of AMERICAN HONDA MOTOR CO., INC.
  14. Remove the cover (A) and the bracket (B) from the ECM/PCM (C).
    Fig 4: Identifying ECM/PCM, Cover And Bracket
    G06679753Courtesy of AMERICAN HONDA MOTOR CO., INC.
  15. Install the ECM/PCM in the reverse order of removal.
  16. Turn the ignition switch to ON (II), or press the engine start/stop button to select the ON mode.
  17. Manually input the VIN to the ECM/PCM with the HDS.
    NOTE: DTC P0630 VIN Not Programmed or Mismatch may be stored because the VIN has not been programmed into the ECM/PCM; ignore it, and continue this procedure.
  18. If the READ DATA (engine oil life) failed in step  7, go to step  21 (A/T) or step  24 (M/T). Otherwise, go to step 19.
  19. Select the PGM-FI system with the HDS.
  20. Select the REPLACE PCM MENU, then select WRITE DATA, and follow the screen prompts.
    NOTE: If the WRITE DATA indicates FAILED, continue with this procedure.
  21. A/T: If the READ DATA (ATF life) failed in step  9, go to step  24. Otherwise go to step 22.
  22. A/T: Select the A/T SYSTEM with the HDS.
  23. A/T: Select the REPLACE TCM/PCM MENU, then select WRITE DATA, and follow the screen prompts.
    NOTE: If the WRITE DATA indicates FAILED, continue with this procedure.
  24. Select IMMOBI system (without keyless access) or ONE PUSH START system (with keyless access) with the HDS.
  25. Enter the immobilizer ECM/PCM code that you got from the iN, and use the ECM/PCM replacement procedure in the IMMOBI Menu (without keyless access) or ONE PUSH START Menu (with keyless access) of the HDS; it allows you to start the engine.
  26. If the TP POSITION CHECK failed in step  6 clean the throttle body (see THROTTLE BODY CLEANING ), then go to step 27.
  27. If the READ DATA failed in step  7 or the WRITE DATA failed in step  20, replace the engine oil (see ENGINE OIL REPLACEMENT ) and engine oil filter (see ENGINE OIL FILTER REPLACEMENT ), then go to step 28 (A/T) or step  29 (M/T).
  28. If the READ DATA failed in step  9 or the WRITE DATA failed in step  23, replace the ATF (see ATF REPLACEMENT ), then go to step 29.
  29. Select PGM-FI system, and reset the ECM/PCM with the HDS.
  30. Update the ECM/PCM if it does not have the latest software (see ECM/PCM UPDATE  ).
  31. Do the ECM/PCM idle learn procedure (see PCM IDLE LEARN PROCEDURE ).
  32. Do the CKP pattern clear/CKP pattern learn procedure (see CKP PATTERN CLEAR/CKP PATTERN LEARN ).