LEMON Manuals: Even more car manuals for everyone
Home >> Acura >> 2009 >> TL Base >> Repair and Diagnosis >> Engine Performance >> System >> Advanced Diagnostics >> DTC P2101: Electronic Throttle Control System (ETCS) Malfunction >> Notes

DTC P2101: Electronic Throttle Control System (ETCS) Malfunction: Notes

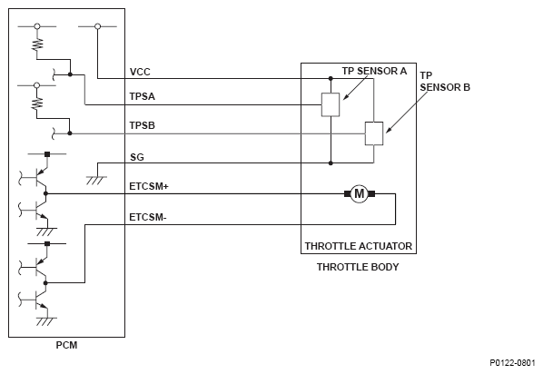
Fig 1: Electronic Throttle Control System (ETCS) Malfunction - Circuit Diagram
G06123551Courtesy of AMERICAN HONDA MOTOR CO., INC.