LEMON Manuals: Even more car manuals for everyone
Home >> Acura >> 2009 >> TL Base >> Repair and Diagnosis >> Engine Performance >> System >> Advanced Diagnostics >> DTC P0401: Exhaust Gas Recirculation (EGR) Insufficient Flow >> Notes

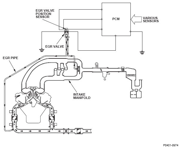
DTC P0401: Exhaust Gas Recirculation (EGR) Insufficient Flow: Notes

Fig 1: Exhaust Gas Recirculation (EGR) Insufficient Flow Chart
G06123599Courtesy of AMERICAN HONDA MOTOR CO., INC.
Fig 2: Exhaust Gas Recirculation Signal Waveform
G06123600Courtesy of AMERICAN HONDA MOTOR CO., INC.