LEMON Manuals: Even more car manuals for everyone
Home >> Acura >> 2009 >> TL Base >> Repair and Diagnosis (Single Page) >> Quick Lookups >> Wiring Diagrams >> OEM Connector End Views >> Connector End Views >> Audio Unit Connector End View (Without Navigation) (View 321)

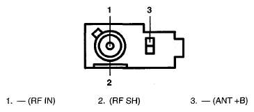
Audio Unit Connector End View (Without Navigation) (View 321)